HMC666LP4E/HMC666LP4ETR高的動態區域無源MMIC混頻器 ADI現貨交易
正式發布時刻:2018-07-05 10:48:57 搜素:7374
HMC666LP4(E)是一個款高gif動態標準無源MMIC混頻器,集成系統LO調大器,使用4x4 SMT QFN打包封裝,工作上率為3.1 - 3.9 GHz。 該元器件真對WiMAX和使用固定wifi手機利用給予+31 dBm的經驗豐富輸出IP3穩定性以使用下交流變頻,LOwin7驅動為0 dBm。 LO服務器端口真對低檔LO利用優化方案。
RF服務器端口的顯示1 dB壓縮成為+23 dBm,可適配寬區間顯示數字信號電平。 轉成耗損舉例數值9 dB。 該電子元件的DC至800 MHz IF頻次相應能需求WiMAX反射或閱讀頻次設計特殊要求。 立維創展HMC666LP4(E)與HMC688LP4(E)引腳兼容,后面一種是一個款2.0 - 2.7 GHz混頻器,智能家居控制LO拖動器。
|
品牌
|
型號
|
描述
|
貨期
|
庫存
|
|
ADI
|
HMC666LP4E
HMC666LP4ETR
|
集成LO放大器的SMT BiCMOS混頻器,3.1 - 3.9 GHz
|
現貨
|
235
|
應該用
-
WiMAX/4G與固定無線
-
基礎設施與中繼器
-
發射機與接收機
-
測試和測量設備
HMC666LP4E優勢和特點
-
高輸入IP3: +31 dBm
-
低轉換損耗: 9 dB
-
低LO驅動: 0 dBm
-
上變頻與下變頻應用
-
針對低端LO輸入優化
-
24引腳、4x4mm SMT封裝: 16mm2
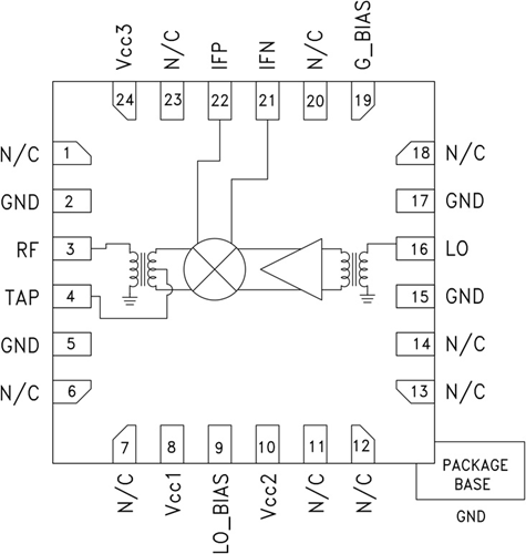
HMC666LP4E結構圖
