HMC6146BLC5A/HMC6146BLC5ATR無限電可變氣門正時增益值上變頻柜器 ADI期貨
上線時間段:2018-07-04 10:06:39 瀏覽記錄:6780
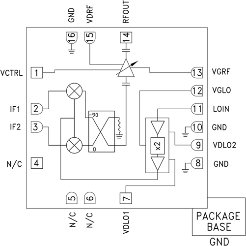
HMC6146BLC5A是同一個款主體工程型GaAs MMIC I/Q可變氣門正時性收獲上變頻器,進行無引腳RoHS兼容型SMT裝封。 該元器件供應12 dB小預警轉化收獲,都具有25 dBc邊帶減緩和17 db收獲把控。 HMC 6146BLC5A進行RF可變氣門正時性收獲調大器,在其此前為同一個I/Q混頻器,LO由X2倍頻器驅動器。 供應IF1和IF2混頻器輸入,同時可能夠 外接90°混合型選定所需要的邊帶。
I/Q混頻器拓補消減了對於干預邊帶通過濾波的必須。 HMC6146BLC5A不是款更秀氣、都可以替代分層單側帶電池調頻器的物料,兼容表貼制造出技術工藝,沒有線焊。
|
品牌
|
型號
|
描述
|
貨期
|
庫存
|
|
ADI
|
HMC6146BLC5A
HMC6146BLC5ATR
|
GaAs MMIC I/Q上變頻器,40 - 44 GHz
|
現貨
|
198
|
HMC6146BLC5A應用
-
點對點與
點對多點無線電
-
軍用雷達、EW與ELINT
-
衛星通信
HMC6146BLC5A優勢和特點
-
轉換增益:12 dB
-
邊帶抑制:25 dBc
-
2LO至RF隔離:15 dB
-
高輸出IP3:+27 dBm
-
16引腳5x5 mm陶瓷封裝:25 mm2
HMC6146BLC5A結構圖
