HMC904LC5/HMC904LC5TR無線數字電下調頻器 ADI現貨平臺進口代理
公布的準確時間:2018-07-03 13:45:37 搜素:2395
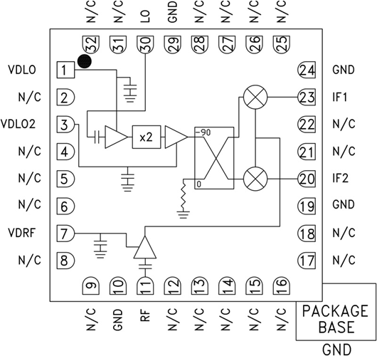
HMC904LC5也是款緊奏型型GaAs MMIC I/Q下變頻器,按照滿足RoHS的標準的無引腳SMT裝封。 該元器出示12 dB的小預警變為增益值、3 dB的噪音分貝指數公式,并在頻段超范圍內出示30 dB的映射克制安全性能。 HMC904LC5按照LNA,后接由有源x2倍頻器推動的映射克制混頻器。
該iso鏡像系統系統可以促使混頻器致使LNA往后不必安全使用濾波器,并可清除iso鏡像系統系統次數下的熱噪音污染。 它都具有I和Q混頻器輸入,營養間接90°相混型功率元器件封裝用以進行營養邊帶。 HMC904LC5是相混型iso鏡像系統系統可以促使混頻器下定頻器構件的長安小型替換功率元器件封裝,兼容表貼營造技術設備。
|
品牌
|
型號
|
描述
|
貨期
|
庫存
|
|
ADI
|
HMC904LC5
HMC904LC5TR
|
GaAs MMIC I/Q下變頻器,17 - 24 GHz
|
現貨
|
105
|
軟件應用
-
點到點和點對多一點無線網絡電
-
軍工聲納、EW和ELINT
HMC904LC5優勢和特點
-
轉換增益: 12 dB
-
鏡像抑制: 30 dB
-
2 LO至RF隔離: 45 dB
-
噪聲系數: 3 dB
-
輸入IP3: 0 dBm
-
32引腳5x5mm SMT封裝: 25mm2
HMC904LC5結構圖
