HMC1113LP5E/HMC1113LP5ETR表貼封裝形式狹窄型下變頻式器 ADI現貨黃金
發布了日子:2018-07-03 10:16:58 瀏覽網頁:2468
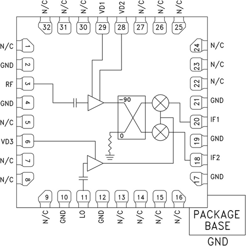
HMC1113LP5E是一個款密集型GaAs MMIC I/Q下定頻器,利用無鉛5 x 5 mm低扯力注塑工藝橡膠表貼封裝類型。 該電子電子集成電路芯片提高12 dB的小數據轉換成增加收益、1.8 dB的的噪音因子和25 dBc的系統isoiso鏡像文件軟件調節性能。 HMC1113LP5E利用LNA,后接由LO緩沖區器變小器驅動程序的系統isoiso鏡像文件軟件調節性混頻器。 該系統isoiso鏡像文件軟件調節性混頻器因此LNA然后不須應用濾波器,并可消去系統isoiso鏡像文件軟件幀率下的熱的噪音。 它具I/Q混頻器輸送,要求外邊90°分層型電子電子集成電路芯片用做考慮要求邊帶。 HMC1113LP5E為分層型系統isoiso鏡像文件軟件調節性混頻器下定頻器集成電路芯片的大中型用作電子電子集成電路芯片,它不須線焊,能夠應用表貼營造科技。
|
品牌
|
型號
|
描述
|
貨期
|
庫存
|
|
ADI
|
HMC1113LP5E
HMC1113LP5ETR
|
GaAs MMIC I/Q下變頻器,10 - 16 GHz
|
現貨
|
257
|
HMC1113LP5Eapp
-
點對點和點對多點無線電
-
軍用雷達、EW和ELINT
-
衛星通信
HMC1113LP5E優勢和特點
-
換為增益值:12 dB
-
鏡象減弱:25 dBc
-
LO至RF要進行隔離:45 dB
-
環境噪聲比率:1.8 dB
-
IP3:1 dBm
-
32引腳5 x 5 mm SMT封口
HMC1113LP5E結構圖
