HMC1063LP3E/HMC1063LP3ETR緊奏型suv型I/Q MMIC混頻器 ADI現貨平臺
上線時間:2018-07-02 14:41:15 查詢:1899
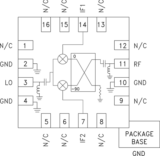
HMC1063LP3E是款緊促型I/Q MMIC混頻器,選擇“無鉛”SMT封裝類型,需用作系統鏡像系統遏制混頻器或一側戴上直流交流變頻。 該混頻器選擇兩根標準Hittite雙均衡性混頻器單元尺寸和一名70度融合元器,均選擇GaAs Schottky場效應管工藝設計營造。 低頻正交融合元器安全使用帶來1,000 MHz LSB IF所在。 該新產品為融合型系統鏡像系統遏制混頻器和一側戴上直流交流變頻插件的長安小型帶替元器。 HMC1063LP3E不需要線焊,就可以安全使用表貼營造技術設備。
|
品牌
|
型號
|
描述
|
貨期
|
庫存
|
|
ADI
|
HMC1063LP3E
HMC1063LP3ET
|
GaAs MMIC I/Q混頻器,24 - 28 GHz
|
現貨
|
259
|
HMC1063LP3E應用
-
點對點和點對多點無線電
-
軍用雷達、EW和ELINT
-
衛星通信
-
傳感器
HMC1063LP3E優勢和特點
-
低LO功率: 10 dBm
-
寬IF帶寬: DC - 3 GHz
-
鏡像抑制: 21 dBc
-
LO/RF隔離: 40 dB
-
高輸入IP3: 17 dBm
-
16引腳3x3 mm SMT封裝: 9 mm2
HMC1063LP3E結構圖
