HMC498LC4/HMC498LC4TR高動態的時間范圍工率變小器 ADI現貨平臺
分享準確時間:2018-06-29 13:47:59 瀏覽訪問:2308
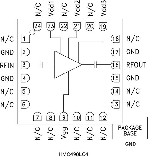
HMC498LC4是一種款高動態圖片超范圍之內GaAs PHEMT MMIC中低檔耗油率調大器,主要包括無引腳“無鉛”SMT二極管封裝。 該調大器有著17至24 GHz的業務超范圍之內,提高22 dB增加收益、+26 dBm飽滿耗油率和23% PAE(+5V電工作電壓)。 HMC498LC4噪音分貝源彈性系數為4 dB,所在IP3為+36 dBm(具代表性值),能夠用作低噪音分貝源最前端各種能夠調大器。 隔直RF I/O識別至50 Ω,選擇便于。 HMC498LC4不能自己線焊,能能選擇表貼制造出水平。
|
品牌
|
型號
|
描述
|
貨期
|
庫存
|
|
ADI
|
HMC498LC4
HMC498LC4TR
|
中等功率放大器,采用SMT封裝,17 - 24 GHz
|
現貨
|
269
|
HMC498LC4應用領域
-
點對點無線電
-
點對多點無線電和VSAT
-
測試設備和傳感器
-
軍用最終用途
HMC498LC4優勢和特點
-
輸出IP3: +36 dBm
-
飽和功率: +26 dBm (23% PAE)
-
增益: 22 dB
-
+5V(250 mA)電源
-
50 Ω匹配輸入/輸出
-
符合RoHS標準的4x4 mm SMT封裝
HMC498LC4結構圖
