HMC-APH596/HMC-APH596-SX二級GaAs HEMT MMIC中等水平電功率圖像運放電路 ADI現貨交易
發布新聞的時間:2018-06-29 11:18:34 看:1834
HMC-APH596都是款兩極GaAs HEMT MMIC中檔業務電阻值增加器,業務率規模為16至33 GHz。 HMC-APH596提供數據17 dB增加收益,用于+5V電源開關電阻值時兼有+24 dBm輸入輸出業務電阻值(1 dB文件壓縮)。 幾乎所有焊盤和集成ic背后都經由Ti/Au塑料化,增加器已完整鈍化以保持可信操作方法。
HMCAPH596 GaAs HEMT MMIC中檔電機功率擴大器兼容中國傳統的單片機單片機芯片貼裝形式,及及熱減少和熱超聲檢查線焊接工藝藝,更加適宜MCM和交織微電源電路應用軟件。 此地表明的所有的數據表格均是單片機單片機芯片在50 Ω場景下動用RF攝像頭使用測定。
|
品牌
|
型號
|
描述
|
貨期
|
庫存
|
|
ADI
|
HMC-APH596
HMC-APH596-SX
|
MMIC中等功率放大器,16至33 GHz
|
現貨
|
323
|
應用軟件
HMC-APH596優勢和特點
-
輸出IP3: +33 dBm
-
P1dB: +24 dBm
-
增益: 17 dB
-
電源電壓: +5V
-
50 Ω匹配輸入/輸出
-
裸片尺寸:
2.55 x 1.87 x 0.1 mm
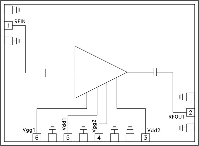
HMC-APH596結構圖
