市場信息資訊
發布消息時間段:2019-12-27 17:26:00 查詢:1769
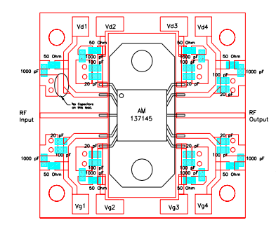
AM13714530WM-SM-R是AMCOM的砷化鎵MMIC耗油率放小器題材的一個分在13.75到14.5ghz頻段運作。它有達到30dB的增益控制和30聲音頻率輸送電機功率。調小器封號裝在有rf射頻和交流電聯接。生產設備的裝置蝶閥法蘭有助于、保證良好的的熱管散熱性能結果叩響接地裝置熱管散熱性能器的方法。

AM13714530WM-SM-R適用
VSAT
日本軍事
AM13714530WM-SM-R核心產品參數
聲音頻率:13.75-14.5GHz
收獲:30
P1dB(DBM):30
PSAT(DBM):31
利用率:15
VD(V):8
杭州市市立維創展社會是AMCOM公司的總代,其主要紅外光網絡帶寬軟件其中包括頻射納米線管、MMIC最大工作效率變成器、混合物變成器接口、寬帶網絡變成器、高最大工作效率變成器接口、帶RF和DC進行防水連接器的高工作電壓放縮器模塊電源和低背景噪聲放縮器,工作電壓放縮器,控制開關,衰減器,移相器及上/下部變頻柜器的定制化。