行業內快訊
發部用時:2019-12-23 14:24:05 訪問:1962
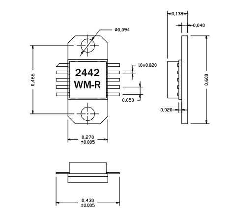
AM244236WM-EM-R是AMCOM的砷化鎵MMIC功率放大器系列的一部分。它有31分貝的增益和在2.4到4.2GHz頻帶上輸出36dBm的功率。這個MMIC是一個陶瓷封裝,有射頻和直流引線在較低層次的封裝,以方便低成本的SMT組裝到PC板。由于高直流功耗,我們建議將這些設備直接安裝在金屬散熱器上。AM244236WM-FM-R是AM244236WM-BM-R安裝在鍍金銅法蘭托架上。EM包與帶直管和銅/鎢法蘭而不是銅法蘭的FM封裝。有兩個法蘭上的螺孔便于擰到金屬散熱器上。這個MMIC是符合RoHS的。

AM244236WM-EM-R運用
wlan智能互聯系統網傳輸
wlan本市環路
橫向無線網電
AM244236WM-EM-R非常重要參數表
次數:2.4-4.2GHz
增益控制:31
P1dB(DBM):36
PSAT(DBM):36.5
率:30
VD(V):8
河南市立維創展自動化是AMCOM總部總銷售商,其一般徽波聯通寬帶服務主要包括rf射頻多晶體管、MMIC熱效率變大器、混變大器組件電源、寬帶網變大器、高熱效率變大器組件電源、帶RF和DC銜接器的高電機熱效率拖動器版塊和低環境噪聲拖動器,電機熱效率拖動器,旋轉開關,衰減器,移相器或者上/接下來變頻柜器的訂做。