的行業最新資訊
披露時:2019-12-20 15:27:36 訪問 :1916
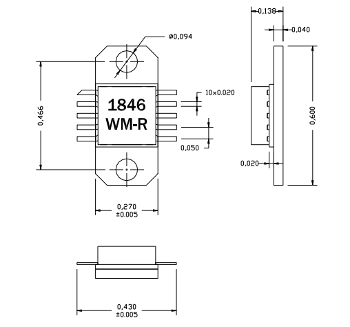
AM184635WM-EM-R是AMCOM的砷化鎵MMIC功率放大器系列的一部分。它有30dB增益和35dBmP1dB,在2.2到4.2GHz頻段。這個MMIC是一個陶瓷封裝,射頻和直流引線都在較低的水平便于低成本的SMT組裝到PC板上。當直接安裝到PCB上時,請參見申請說明AN700。由于高直流功耗,我們強烈建議安裝這些設備直接安裝在金屬散熱器上。AM184635WM-FM-R是安裝在鍍金銅法蘭托架。EM封裝與FM封裝具有相同的封裝尺寸,采用直引線用銅/鎢法蘭代替銅法蘭。法蘭上有兩個螺孔,以便擰上金屬散熱器。這個MMIC是符合RoHS的。

AM184635WM-EM-R的特征
從1.8到4.6GHz的移動寬帶
高內容輸出馬力,P1dB=35dBm
高增益控制,30dB
已經一致;50歐姆投入/輸入輸出特性阻抗
AM184635WM-EM-R應用
wifi手機互連網接入網
手機無線本地服務環路
雙線wifi電
AM184635WM-EM-R注重因素
次數:1.8-4.6GHz
增益控制:30
P1dB(DBM):35
PSAT(DBM):37
成功率:25
VD(V):7
廣州市立維創展網絡是AMCOM品牌代理商加盟,其最主要的微波加熱網絡帶寬新產品具有rf射頻晶胞管、MMIC效率調大器、比調調大器信息板塊、光纖寬帶調大器、高效率調大器信息板塊、帶RF和DC進行電源連接器的高電率圖像調大儀版塊和工作噪音小源圖像調大儀,電率圖像調大儀,旋轉開關,衰減器,移相器各類上/下面變頻柜器的全屋定制。