業內信息
發布消息時間間隔:2019-12-20 15:02:38 訪問 :2402
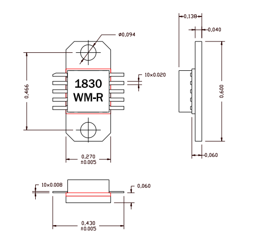
AM183031WM-EM-R是AMCOM的砷化鎵MMIC輸出功率變小器一系列的三一些。它有30.5聲音分貝的增益控制合在1.6到3.3GHz頻段上的31.5dBm讀取工率。該MMIC不是個瓷磚二極管裝封,兼有頻射和直流電源引線在較低維度的二極管裝封,以有利成本低預算的SMT安裝到PC板。當可以直接安裝使用到印集成運放板,請參照技術應用證明AN700。因為高直流電源能耗,他們改進措施將一些機隨便按裝在金屬材料,散熱處理器上。AM183031WM-EM也是個直引線的添加圖片式封裝。AM183031WM-FM-R是組裝在電鍍金銅卡箍支撐架上的AM183031WM-BM-R。有蝶閥法蘭上的好幾個螺孔,以便擰到黑色金屬導熱器上。這種MMIC是滿足RoHS的。

AM183031WM-EM-R共同點
從1.7到3.5GHz的寬帶網絡
高模擬輸出電功率,P1dB=31.5dBm
高收獲,30.5dB
AM183031WM-EM-R操作
wifi智連網連接
遠程本機環路
MMDS
AM183031WM-EM-R極為重要基本參數
速度:1.6-3.3GHz
收獲:31.5
P1dB(DBM):31.5
PSAT(DBM):32.5
高效率:25
VD(V):8
河南市立維創展科技公司是AMCOM新公司總批發商,其最主要微波加熱光纖寬帶產品設備涉及頻射晶胞管、MMIC效率變大器、攪拌變大器引擎、光纖寬帶變大器、高效率變大器引擎、帶RF和DC聯接器的高馬力拖動器版塊和低背景噪聲拖動器,馬力拖動器,旋轉開關,衰減器,移相器包括上/底下直流變頻空調器的個性。