這個行業資迅
分享時長:2019-12-11 11:23:25 瀏覽器:2025
HMC413是ADI的有能力率GaAs InGaP異質結雙旋光性單晶體管MMIC公率拖動器,該拖動器建議選用低的成本、表面能貼裝16引腳封裝類型,有帶暴露地座以緩和RF和水冷散熱技能,頻點為1.6GHz - 2.2GHz,還運用很多的外邊元器件生產商22 dB收獲,飽和工率為+29.5 dBm,開關電源輸出功率為+5V。還可供選擇用3.6V開關電源工作,HMC413的綜合運用位置具有蜂窩/PCS/3G、輕便式式機 和地基安全設施、無限本市環路等

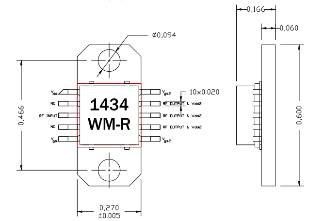
AM143438WM-EM-R工率圖像放大儀是AMCOM的砷化鎵HiFET MMIC,該MMIC是2級GaAs-pHEMT輸出功率調小器,偏置電阻為10-14V,級間符合網咯涵蓋1.4到3.4GHz,以產生最多的上行速率具備主動性酶高性。諸如,一款常用的考核板有不可逾越20噪音分貝增加收益,38dBm飽和點模擬輸出平均功率不可逾越1.5至1.8GHz頻段在12V。另外的2.0到3.0ghz的評估報告格式板在12V時認定19dB增益控制和38dBm輸出工作電壓。交流電引線與成為一定接地的封裝框架共面,要怎樣當高收益預算的面貼裝制做到PC板。
AM143438WM-EM-R的結合本質屬性也包括:PCS基站天線、GPS綜合運用、MMDS、wifi廣域網中繼器和14V相結合等
AM143438WM-EM-R至關重要技術指標
速度:1.5GHz - 1.8GHz
收獲:20.5
P1dB(dBm):37.5
PSAT(dBm):38
利用率:30
VD(V):12
AMCOM是新西蘭大中型電功率調小器電源芯片大型廠,在國際上人氣高口碑好度雖沒有ADI公司,但也是知名有名的大品牌,AM143438WM-EM-R拖動器與HMC413變成器的頻帶寬度和符合研究方向近乎,能夠說一款拖動器是可相互之間配用的,僅是在價位上卻能差多個,AM143438WM-EM-R縮放器極高售價的優勢,服務質量高效化不靠譜,河南市立維創展科技發展是AMCOM與ADI大公司的POS機代理總經銷商商,給出AMCOM與ADI的微波加熱元功率器件和存儲芯片,歡迎語詢問。