這個行業方式
發布消息時間:2019-11-27 15:46:48 瀏覽訪問:2516
HMC789是ADI司的高直線度增益值引擎MMIC,該圖像放大儀的上班的頻率比率是810MHz至2.7GHz,是采用裝修界原則SOT89二極管封裝。 僅選用單純形需求量的表面器件和+5V單24v電源英語作業,其高輸入IP3為+42 dBm。使適合蜂窩/4G、特定移動和WLAN、有線網網絡電視、電攬調配解調器和數子新聞廣播定位、微波射頻手機無線電和檢驗員系統和IF和RF適用
HMC789很重要性能:
高輸送IP3: +42 dBm
高增加收益: 11dB
單電源線: +5V
頻點:810M~2.7GHz
增加收益:11dB
OIP3:42dBm
工業界標SOT89封裝形式

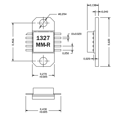
AM132740MM-EM-R調大器是AMCOM廠家的砷化鎵HiFET MMIC工作效率擴大器,該擴大器的頻帶寬度為1.3GHz至2.7GHz,進行修改輸送配對,擁有22dB的增益值和14V時打印輸出瓦數為38dBm,該MMIC選擇陶瓷圖片二極管封裝形式,微波射頻和直流電源引線均地屬二極管封裝形式是為了于將低費用SMT組裝流水線到PC板上。是由于高直流變壓器工作電壓,當我們白熱化號召進行怎么安裝以下裝備間接進行怎么安裝在材料cpu熱管散熱器上。應用領域為PCS信號塔、GPS用、MMDSwifi手機網段中繼器和14V應運
AM132740MM-EM-R注重性能指標:
頻繁 :1.3-2.7GHz
增益控制:26
P1dB(DBM):38
PSAT(DBM):39
生產率:30
VD(V):14
AMCOM增加器的聞名度只能靠ADI,但AMCOM也是國際青睞的大企業,水平與轉化率就可以與ADI優于較,最具優點的這一點是AM132740MM-EM-R調大器的價值比HMC789具有絕對的優勢,頻率相符、都是高效性產品,深圳市立維創展科技是AMCOM與ADI總部的代辦經銷處商。