相關行業信息資訊
發布新聞時刻:2019-11-12 11:47:19 訪問 :2072
AM009023WM-EM-R工率變成器是AMCOM新公司的超高帶砷化鎵MMIC,該變大器具備2一分貝的高收獲,從50MHz到9GHz頻段的23dBm的輸出工作電壓,噪聲系數為4.5分貝至4赫茲,或者與50歐姆匹配的輸入/輸出

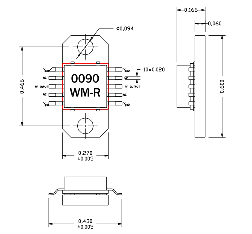
AM009023WM-EM-R電機功率變小器的封裝底端包含rf射頻和電流引線,以便于將低直接費用SMT按裝到PC上。AM009023WM-EM-R兼有直引線和銅/鎢活套法蘭盤用于銅活套法蘭盤,法蘭片上帶二個螺孔,盡可能擰上金屬制熱管散熱器器。具備RoHS,軟件教育領域分開 是免費軟件wifi手機電、多功能儀表、增加收益塊、低嗓聲應用等
AM009023WM-EM-R非常重要產品參數
率:0.05-9GHz
增益控制:21
P1dB(DBM):21
PSAT(DBM):23
速率:20
VD(V):12
廣州 市立維創展現代科技是AMCOM司代理商權,其涉及微波通信寬帶網絡設備涉及頻射晶狀體管、MMIC工作輸出變小器、比調變小器功能摸塊、帶寬變小器、高工作輸出變小器功能摸塊、帶RF和DC銜接器的高工作電壓縮放器控制模塊和低燥音縮放器,工作電壓縮放器,旋鈕,衰減器,移相器及及上/后面調頻器的定制化。