2kw380V洽談AC-DC電壓線接口帶PFC_意大利PICO電壓線接口HPHA2
發布消息時間:2019-01-25 11:23:22 閱覽:3310
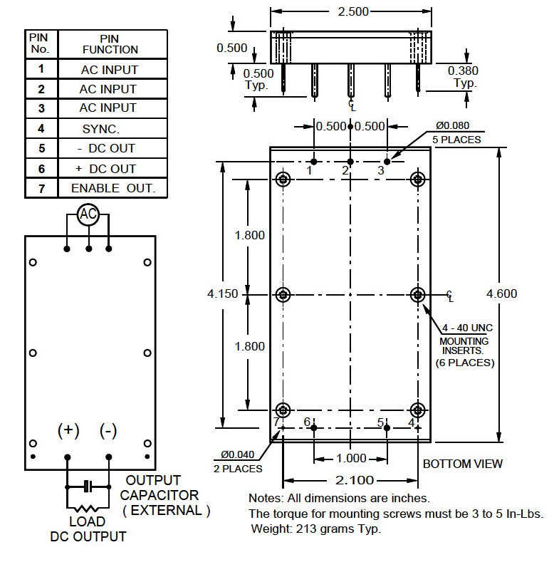
PICO的2kw380V四線聯席會AC-DC電源功能模塊功能模塊HPHA2是采在220V或380V四線輸人/直流電源輸出精度技術應用的通用型聯席會電的帶PFC好前段。標準的2.5“x 4.6”x 0.5“尺碼是近年來市場中上馬力規模較小的尺碼之1。打造365V穩壓整流傷害,可作PICO FD / MD / LFD / LMD /的自動化測試LPD / PD和HPD系列的DC-DC改變器可打造3.3V至300V DC。因此,多數激光手術和交流電動機APP也就能夠以可以便用HPHA2的365V DC傷害。關于有所不同的傷害輸出功率和映射的本職溫度表,請咨訊自己。
|
品牌
|
型號
|
貨期
|
庫存
|
|
PICO
|
HPHA2
|
1周
|
500
|
|
如若您需要購HPHA2,請點擊右側客服聯系我們!!!
|
自己的特色亮點紛呈:
-
包含EN / IEC 61000-3-2規范要求
-
專用插入電阻值(47至440Hz)(85至250V AC)或208V AC±20%。線對線單相進入基準
-
輸出的輸出: 2000W(以每伏0.5%的波特率從220V AC低于170V AC)
-
電機功率質因數: 0.99(從50%到100%FL)
-
同部引腳:這對都要云同樣的設備,能夠 運用100 KHz的云同樣無線信號。
-
使用引腳:用在放到Pico DC-DC互轉器瀏覽器打開,等到HPHA2的讀取在能接受的約束位置內。會直接聯系到PICO的LP / P / HP DC-DC組件電源的關斷引腳,使能引腳將持續DC-DC組件電源開起,直至HPHA2的模擬輸出在可配受的的限制范圍內內。比如DC-DC模快真正帶來了重負債,這預兆著這將不充許DC-DC轉型器在<300伏輸入時使用,進來HPHA2要帶來了I =供電/ Vout的電流大小。
-
的效率: 90%或挺高(從170到250V AC或單相導入最短95%)
完正電力電氣標準化:
主要:穩壓365V直流電打出可立即的采用很多直流無刷電機,繳光和立即的安裝驅動APP。
-
統一插入交流電壓(47至440 Hz): 85至250V AC。
-
要注意: 而對于110 / 220V AC操作流程,不許接“AC3”端子排。
-
降額輸出精度電率小于220V AC(參看后面 的“輸送工率”)
-
我們對多于60 Hz的工作頻率,瓦數質數將減小或增大。如果特殊性想要,請諮詢鑄造廠。
-
為獲取佳工作效率,意見建議操作170至250V AC。(110V AC投入的典型的案例速率為90%,220V AC投入的典型的案例速率為95%)
-
相電壓填寫: 208V AC±20%線對線三相電搜索
-
輸出的公率:最大的2000瓦@ 220V AC。將導出工作電壓從220 VAC線型大幅度降低0.5%/ Volt至170 VAC(最明顯工作電壓@ 170 VAC錄入= 1,500 W)。110 VAC極限1,000瓦。將傷害效率從110VaX線形影響1.2%/ Volt至85 VAC(非常大效率@ 85 VAC搜索= 700瓦)。
-
滿艙時的輸出電流值容差: ±2%
-
辦公頻率: 100KHz
-
事情體溫: 0oC至+85oC基鋼板,暫時無法額定最大功率最大功率。
-
流程的傳輸電容(電容器):建意在2000W時為1.5m F至1200μF。這將確認紋波電流值超過10Vpp。 請參閱其它工率電平,輸電線路頻次或Vpp紋波的工式。
-
隔離:
-
輸進到輸出精度:無
讀取/讀取到底應該板:2121V DC
-
過載控制: (10%至100%負載電阻±3%)
-
熱關斷: 90至100oC底板
-
漏電自我保護: HPHA2必須 是一個與顯示關聯的15安培加快短路人壽保險絲。
-
含量: 7.2盎司(231克)主要
2kw三相交流AC-DC電源模塊結構圖
