HMC394LP4低燥聲GaAs HBT可源程序5位計算器 現貨平臺
發布消息時:2019-02-26 17:20:32 瀏覽記錄:1781
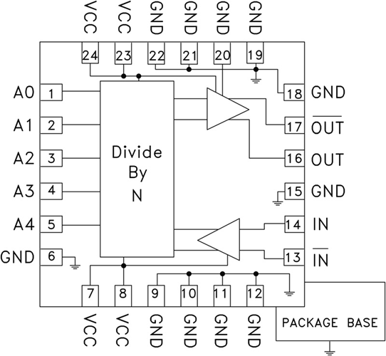
HMC394LP4(E)不是款低環境噪音污染GaAs HBT可java開發5位數值器,用4x4 mm無鉛表面層貼裝封裝類型。 在進入的的頻率高至2.2 GHz時,該功率器件可在N為2至32區域完成連續式分頻。 輸送交流電壓擺幅為800 mV,占空比與N關系不大。100 kHz失衡時,該數值器的加性SSB相位環境噪音污染低至?153 dBc/Hz,極其適宜低環境噪音污染的的頻率結合器app。
|
品牌
|
型號
|
貨期
|
庫存
|
|
ADI
|
HMC394LP4
|
1周
|
90
|
倘若您須得選購HMC394LP4,請打開網頁右測售后關聯我們都!!!
應用
優勢和特征
-
SSB相位噪聲: -153 dBc/Hz(100 kHz)
-
可選分頻:2至32
-
并行5位控制
-
寬輸入功率范圍: -20至+10 dBm
-
4x4 mm無鉛SMT封裝
示意圖

深圳市立維創展科技代理銷售ADI現貨產品,致力于為廣大客戶提供低價格、高質量、有保障的產品,提供優質的售前與售后服務技術。如您有任何產品需求以及服務請聯系我們客服人員,我們會再第一時間內為您解決問題。