行業內咨詢
發布的事件:2019-02-15 10:36:27 閱讀:1839
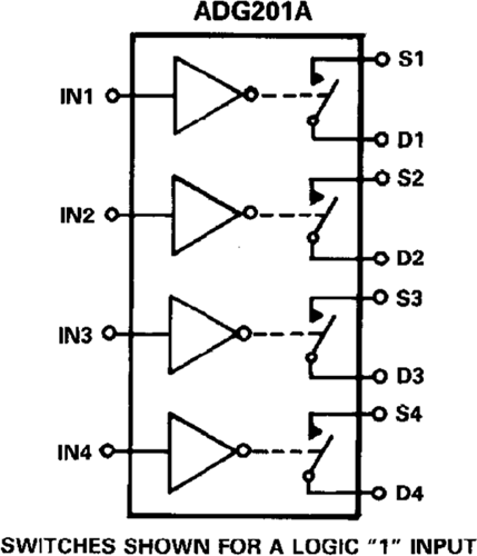
ADG201AKNZ/ADG201AKPZ也是款單集成塊CMOS元器件,內設幾個單獨待選的電開關。它們之間通過不斷增強型LC 2 MOS技藝裝修設計,可出示±15 V的會高信息凈化處理實力。這個按鈕按鈕還擁有高按鈕按鈕速度快和低R ON。
ADG201A電開關在對應的管理鍵入上撥通形式邏輯低電平。當ON時,4個電開關按鈕在兩種方往前導電功效是一樣的,然而4個電開關按鈕都還具有延展到24v電源的鍵入預警時間范圍。所有按鈕都擁有先開后合的按鈕操作,可于多路多路復用器應該用。設計的僵板的是低自由電荷植入,盡量在添加字母導入時保證最少瞬態。
倘若您需購ADG201AKNZ,ADG201AKPZ,請鼠標點擊左面電話客服取得聯系他們!!!
品牌
型號
貨期
庫存
ADI
ADG201AKNZ
ADG201AKPZ
1周
100
優勢和顯著特點
ADG201A-EP認可防御和中國航空航空操作(AQEC規范標準)
結構圖

深圳市立維創展科技代理銷售ADI現貨產品,致力于為廣大客戶提供低價格、高質量、有保障的產品,提供優質的售前與售后服務技術。如您有任何產品需求以及服務請聯系我們客服人員,我們會再第一時間內為您解決問題。