HMC487LP5E/HMC487LP5ETR用于SMT打包封裝2瓦特瓦數調小器 ADI期貨
披露精力:2018-06-25 15:48:33 挑選:2521
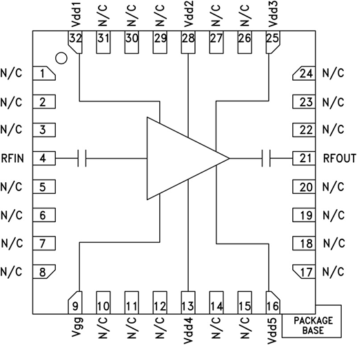
HMC487LP5(E)也是款高動態化領域GaAs PHEMT MMIC 2瓦特瓦數調大器,所采用無引腳5x5 mm面上貼裝封口。 該調大器在9至12 GHz的速率下崗位,具備20 dB的收獲、+33 dBm的飽和瓦數和20%的PAE,電源模塊電流為+7V。 傷害IP3為+36 dBm(其最典型的值)。 RF I/O為隔直網絡端口,并符合至50Ω,用以便于。 HMC487LP5(E)不用再線焊,準許用面上貼裝生產加工新技術。
|
品牌
|
型號
|
描述
|
貨期
|
庫存
|
|
ADI
|
HMC487LP5E
HMC487LP5ETR
|
2瓦特功率放大器,采用SMT封裝,9 - 12 GHz
|
現貨
|
223
|
HMC487LP5應用
-
點對點無線電
-
點對多點無線電
-
測試設備和傳感器
-
軍事最終用途
HMC487LP5優勢和特點
-
飽和功率: +33 dBm(PAE為20%時)
-
輸出IP3為+36 dBm
-
增益為20 dB
-
+7V、1300 mA電源
-
50 Ω匹配輸入/輸出
-
25 mm2無引腳SMT封裝
HMC487LP5結構圖
