HMC515LP5E/HMC515LP5ETR雙正負極單晶體管 ADI代現貨黃金
公布耗時:2019-01-23 09:49:37 瀏覽器:2075
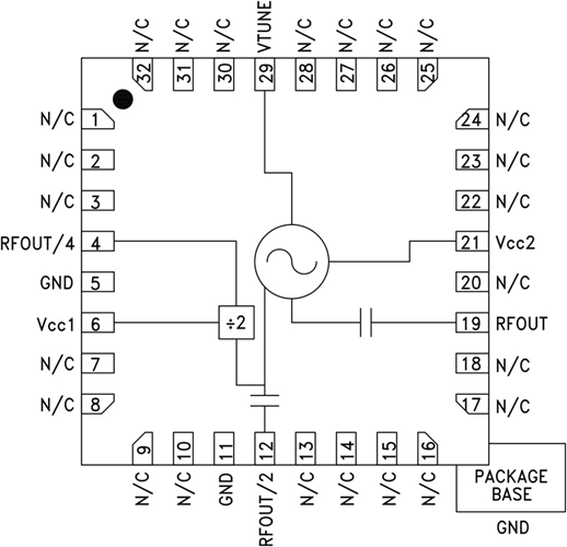
HMC515LP5E一款GaAs InGaP異質結雙正負極硫化鋅管(HBT) MMIC VCO。 HMC515LP5(E)集成為了諧振器、負電容配件和變容穩壓管,可讀取的半頻,并提拱四分頻讀取的。 是因為諧振器的單供電芯片形式,VCO的相位躁音功效在高溫、突破和加工制作工藝 的條件下均至關卓越。 應用+5V供電額定線電壓時,讀取的效率為+10 dBm(基本特征值)。 如若不是需要,可不可以不可用預分頻器工作以可以功率。 該額定線電壓掌握諧振器應用無引腳QFN 5x5 mm表貼二極管封裝,不需要冗余適合電子器件。
|
品牌
|
型號
|
貨期
|
|
ADI
|
HMC515LP5E
HMC515LP5ETR
|
1周
|
|
如若您需要購買HMC515LP5E/HMC515LP5ETR,請點擊右側客服聯系我們!!!
|
使用
-
VSAT無線電
-
點對點/多點無線電
-
測試設備和工業控制
優勢和特點
-
雙路輸出: Fo = 11.5 - 12.5 GHz
Fo/2 = 5.75 - 6.25 GHz
-
Pout: +10 dBm
-
相位噪聲: 典型值為-110 dBc/Hz(100 kHz)
-
無需外部諧振器
-
QFN無引腳SMT封裝,25 mm2
結構的圖
