河北稻城海子山,分別平均海拔4410米。在過去人跡罕至的問題,一款周圍1.36多平方米公里遠的測探器陣列還在夾緊裝有,近萬個測探器器將一探新時代之謎——較高能地球線本源。
今年6月19日,國內重大安全事故信息技術基礎知識體系高平均海拔地球線檢測站(LHAASO),進集中在安裝使用階段中。我國的隨時升級開發的2270只高時光鑒別率的光電技術子培增管將在該系統軟件中激發的關鍵使用。與此的同時,數千里之余的陽江中微子測量集地也即將來臨了10000只國產20屏幕尺寸微節點板型光電技術子培增管,其遙測高效率對數正態分布到達30%大于,完成趕超在美國之類護膚品含量。
光學增倍管是低能物理性進行實驗的至關重要的基礎零件,被稱為中微子進行實驗中能力水平是最高的、最至關重要的的元電子元件其一。當前,我過已沖破全球競爭對手的行業壟斷,順利科研誕生界標桿的性能卓越指標209英寸微節點板型光學增倍管,很好解決了我過大科學實驗建設項目的“卡頸部”難題,促進渦流光學發現元電子元件第三產業的自主學習可控硅調光優質化量提升。

(微電子增倍管陣列)
而深圳陽江開平市,樓頂700米深居。在這還在規劃一尊巨形樓頂中微子測探生物實驗室室,恍若科幻大劇里的前景生活:同一個內的直徑不低于35米球型的測探器,內部組織是2萬噸級無色的溶液閃動體,外內的直徑不低于為40米的鋼結構材料特征里裝有20000只209屏幕尺寸和25000只39屏幕尺寸光電翻番管,上述內容組成部分的測探器水的壓強在內的直徑不低于為43米的圓形體內。
的時候微子打開圓形遙測器,在波形烷基苯應以的液態一閃一閃體中,會有以小的幾率發生的β衰變,散發往往較弱的光。而圓形遙測器外部結構的光學增長器仿佛“變成鏡”,立刻獲取到較弱的光并變為為聯通號變成輸送,能夠遙測到惡靈般中微子的行蹤。
中微子是個神秘之感莫測的東西。最先,我們人類看來組合化合物世間的最高企業單位是氧水分子。到20時代初,數學者們感覺,氧水分子是由質子、中子和電子技術組合。如今,現代人又認識,更小的差不多物體是夸克和輕子。中微子就是一種輕子。
十幾種過年前,中華小學科學合理院工程院院士、中華小學科學合理院高激光高中物理分析所院長王貽芳得到了這種新奇的打算,利用國廠20屏幕長寬高光電技術子增長管建造陽江中微子實驗產業基地,并提供了新形光電技術子增長管的專利局設計的計劃。如果,實現目標這種打算依然比分析中微子更好艱難。那個時候,國產僅能分娩2屏幕長寬高低于小長寬高光電技術子增長管,生產成本上不得進行,機械性能上也距需求甚遠。
“日本隊濱松集團子工司惡性競爭了世界十大90%及以上的光電公司科技凈增管市場上市占率,中低端護膚品對國外徹底新水平瓦解。”北京夜視新水平股份子工司有局限集團子工司南京市分集團子工司總副總孫建寧失望地說起。要國外不可能生產銷售大寸尺、高能力光電公司科技凈增管,所有都將受制人。
200六年,目前國內在大亞灣區建筑中微子實驗室。用什到的2000幾只89英寸光電公司增長管,大部分由美合作的者從濱松公司入手。
與之想必,上新世紀80那個年代,日本國神岡中微子專業微生物實驗室所采用的是濱松品牌20英尺微電子科技持續增長管。該專業微生物實驗室投資回報操作的話,興起了2項諾貝爾電學學獎。工欲善其,必有近憂。20英尺微電子科技持續增長管被選為我們國家大專業施工必需戰勝的保壘。201一年,由全國專業院較高能電學調查所領導,中原地區夜視工藝總部股票有效制的品牌、中科院研究探討所成都光學元件精細物理調查所、中核調節系統總部股票有效制的品牌和杭州讀書等組成了大寸尺微檢修通道板型微電子科技持續增長管產學合作協議組。
經歷經四年攻關項目,好開發出適合于大科學的建筑項目裝置機中微子遙測用20屏幕尺寸高機械能力微管道板型光電技能子產品飆升管。該產品基礎性機械能力到全球最先進水平方向,在當中一些要求超過了全球同行業。“增加光電技能子產品飆升管的遙測成功率是最基本性的枝術之六,它屬于量子成功率和采集而來成功率的兩個原則。相對美國國近些年選用的傳統型五金打拿極型光電技能子產品飆升管飆升的方法,公司選用微管道板最為電子器材機無線飆升模式來建立電子器材機無線調小,電子器材機無線采集而來成功率到98%之上,然后能保證在量子成功率基本性比較的條件下,遙測成功率達到美國國同一種產品。”孫建寧說明,用戶還開發了當今世界最主要的高負壓轉回機,還探討打了個題材增加產品枝術要求的新枝術,如低射線性本底枝術,高增益值、長使用期限等。
的不同之處小學科學探析中微子,海子山頭的LHAASO測量站,瞄向的是世界線本源于。世界線隨身攜帶著世界本源于、天體衍變等外部經濟個人信息,是傳承“世界大新聞件”的信使。自1910年世界線被挖掘之后,人類歷史始終如一還沒有挖掘它的本源于,被選為“世經之謎”。中國國家小學科院校震撼力學小學科學探析所副小學科學探析員高博了解說,LHAASO測量站地方有的是個“大水槽”——涉及3000個監測單元測試卷的切倫科夫監測器。高時長辯認率的光電科技持續增長管要對單光量子階段的光數字信號使用小學科學探析,捕殺入駐水槽半空電離層的每一位個震撼伽馬X射線的足跡,以此小學科學探析震撼世界線的形成制度。2017年6月,各國服務性研究的高時長辯認率20厘米微節點板型光電科技持續增長管官方演變,其兼備渡越時長離散小、時長一直性好、暗燥聲小等結構特征。2017年8月,北京夜視新技術大公司股票現有大公司成就單位中標LHAASO好項目大寸尺光電科技持續增長管全部銷售量。
“在20厘米微通暢板型微電子增長管的技巧基礎性上,企業不同天體偵測,也可以說是LHAASO工作的需求分析,生產出了高時光辨認率的微電子增長管。”孫建寧說,時光辨認率是對光無線信號去往微電子增長管時光的檢測的gps精度,時光辨認率越高,就能對伽馬X射線的目標檢測的越精準度。
在另一市揚,微網絡持續增長管(PMT)不止在大能高中物理,也在核醫療、核化工技能、光譜儀測探等應用領域,其微網絡金屬電極中,原來生產的網絡路過KV級的過于電勢變快,生產較高的內部增加收益。這樣的電勢差使網絡相撞持續增長管單擊,進而生產次級網絡,路過后面考試內容一級持續增長累積的微網絡流為放小器衛星信號,不可能被陽極處理。陽極處理的微網絡流大部分網絡傳輸到跨阻放小器,將直流相電壓轉化成為相電壓進幾步放小。

在到目前為止的適用外接交流電源輸電中,有選取外接交流電源控制模塊,出現一些毛病:
1. 電源效率低,同時發熱量大;
2. 產品體積大,可靠性低,無法滿足高端應用;
如外國人出口項目的光電材料培增管相似,我們大家如所需構建更強的性能的新產品集中體現,則所需內容需要考慮直流電電源開關方案這一種引擎。
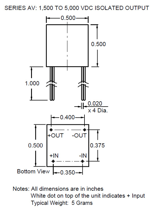
意大利PICO總部帶來高耐用DC-DC高壓力交流電源控制模塊企業商品系列作品,高效確保1500~10KVdc打出,體積大小僅0.500" x 0.500" x 0.500",含水量僅為5g,顯示電流值的面積包含5, 12, 15, 24, 28, 和48 Vdc,打出電流值導致精度±3%,企業商品合乎美國士兵標MIL-STD 883,不須另外加上水冷散熱器片,可靠做工作的面積-55℃ to +125℃ 。
PICO為微電子凈增管程序的給予最好的供電模快自動匹配,并且PICO的高壓力供電模快物品,可推建廣泛用于預警雷達、機載程序的等嚴格的環境。

中文翻譯
用具體方法