制造業資訊新聞
發布的時光:2025-10-17 16:40:09 閱讀:29
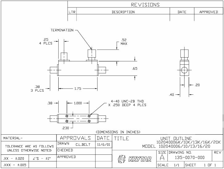
101040006/101040006K專向合體器是KRYTAR研發推出的高耐磨性最好妙用帶狀線電子器件,滿足專業技能交叉耦合耐磨性與主體工程打包封裝特征參數。101040006/101040006K常用來校正校正、5G 厘米波、聲納及 ECM 等要求40 GHz超大帶工作電壓取樣方法或駐波評估的地方。
金橋銅業跨接線的截面積大小參數指標
幀率最窄值 (GHz):2
幾率 最明顯值 (GHz):40
標稱解耦:6 ±1.52
頻段迅敏度 (dB):±1.00
放入耗損(dB max):3.5
目標性(dB min):2-20 GHz,15;20-40 GHz,11
VSWR(最主要):2-20 GHz,1.5;20-40 GHz,1.70
特殊輸出(瓦特):20
102040006規定無線電源連接器(母頭):2.4 mm
102040006K標淮接器(母頭)2.92 mm

技術設備優勢
多使作用帶狀線裝修設計:支撐低頻4g信號分發、制成與監測軟件系統,適宜于雷達天線、小行星溝通及測試測試軟件系統。
高隔開度與低插損:利用優化系統交叉耦合結構類型,滿足表現的效率高接入與逆向屏蔽。
區域環境適用性:合乎軍工標準化,可在極端天氣生活環境下相對穩定事情。
操作畫面
移動基站控制系統:提取散發與閱讀信息,大幅提升通迅水平。
功效調大器:確保放縮器因對反射面馬力毀損,簡化馬力互傳。
測試方法體系:適用于數字信號分折、實時監控與反射強度測試測試,抓實測試測試最嚴謹性。
統計環保設備:實現了數據分配比例、合成視頻與防曬隔離霜,質量保障雷達天線平臺高效率操作。
蘇州市立維創展網絡授權許可代銷商KRYTAR貨品設備,個部分類型具有現貨交易。貨品設備原廠進口商,質量確認,歡迎圖片質詢。
主要參數相比
101040006:選用2.4 mm母相連器,采使用項目對接口長度規范較高的消費場景。
101040006K:選用2.92 mm母連到器,兼容性問題更強,不適用到規格軟件測試環保設備。