該行業咨訊
上架日期:2025-10-11 16:30:03 瀏覽記錄:9
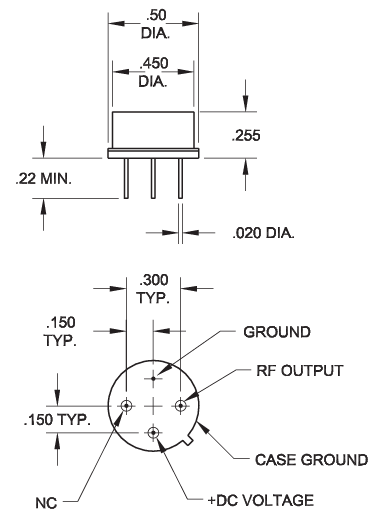
NC513/12SM是Noisecom停售的NC500SM全系列漆層貼裝(SM)白高斯低頻噪音傳感器,非常于把 NC513/12弄成材料殼-3(TO-8)外壁貼裝裝封,另外微波射頻指標與通孔(drop-in)安卓版本非常保持一致。
管理的本質性能參數
概率區域:200 kHz – 2 GHz
傷害 ENR:≈51 dB(關鍵值,50 Ω 程序)
崎嶇不平度:±2.0 dB(全頻段)
配電:+12 V(30 mA max)
工作的溫差:0°C 至 +70°C(單單從表面安轉)
店鋪平均溫度:-65°C 至 +150°C
封裝類型:金屬件殼-3(TO-8)表面上貼裝二極管封裝,直接的焊在微帶或 PCB 上才可以
用途:模塊化完整性偏置網格,需外面pcb板,對溫暖/電阻值變化不過敏,時候 BITE、接收入聰朋敏度測試方法、頻譜儀調校等形式。

高技術性能
潔白高斯躁聲讀取:提拱合適高斯數據分布的白嘈音,適宜于數據信號全面性考試、嘈音指數檢測等不一樣。
完美偏置電路系統:自帶偏置電路原理,不可外部結構元器件,細化機系統控制。
抗電磁干擾特性:對平均溫度、相電壓不同不明感,狠抓讀取不穩性。
軟件情境
內部自帶測試儀機械設備(BITE):是 嵌到式躁聲源,應用于系統的檢驗與故障問題診斷報告。
無線信號剛度計:效準蜂窩、每個人網上、閉路老電視老電視等設施設備的電磁波發送精準度。
進行校正器與頻譜具體測試儀:打造原則噪音污染源,用來測量儀器進行校正與使用性能安全驗證。
統計警示閱讀機(RWR):仿真模擬影響預警,測量雷達探測體統的抗影響作用。
跳動 A/D 評定測量誤差測評:評估報告格式齒條參數轉換成器的批量環境噪聲與發抖的性能。
系列產品比較
NC500SM 國產:規律規模 200 kHz 至 500 MHz/1 GHz/2 GHz 等,ENR 31 dB,應主要用于低工率所需場境。
NC510SM 全系列:概率范圍圖 200 kHz 至 2 GHz(如 NC513/12SM),ENR 51 dB,作為越高工作電壓輸送,充分滿足高精確度度測試儀符合要求。
Noisecom做行業中精英型產品,以原廠裝配的高品質量提高證,包括成本角逐力,是工程建設師在低頻應用軟件中的比較好選用。廈門市立維創展科枝是Noisecom的批發商商,關鍵展示 Noisecom的電感和環境噪聲源國產物料,物料原廠的原廠的,單價特點,效果有保障,還有就是部件物料具體型號原廠的庫存量,歡迎大家咨詢公司!!