行業領域最新資訊
推出時:2025-09-05 16:31:19 查看:35
SQ79002AJE是SILERGY矽力杰研發推出的款隔開式DC/DC裝換器,普通是因為供應商鏈間斷(如倒閉、發貨遲緩或直接費用上浮)、能晉級具體需求(如追逐更快質量、5kV隔離防曬平衡等級或更寬進入區間)、封裝形式規格尺寸控制(需更緊湊型轎車定制)、符合性性必須(如更新時間安全保駕護航認可或生態環保相關法律法規),及及科技不斷創造的長期的供貨渠道保駕護航和作用擴充(如多打出或可控相電壓)等評判,公司需綜合考評考評成本價、特性、穩定性和發展周期性后挑選既定重復使用解決方案。
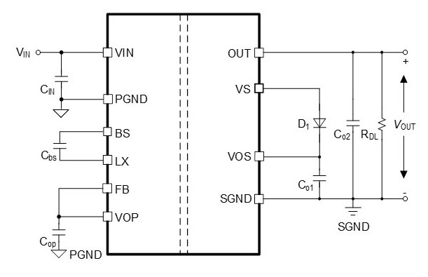
SQ79002AJE規模參數指標
設置的電壓標準:4.5V-14V
輸出相電壓相電壓:5V
額定功率:1W
隔離開分類:3kVDC 隔離
封裝形式尺寸大小:9.6mm×3.4mm×2.8mm

方案范文 A:ADI MAX17687(片式 Iso-Buck,最多 5 W)
1. 集成電路芯片
? MAX17687AATC+ 4 mm×4 mm TQFN-20
2. 的關鍵數據
? 3.5–36 V 填寫(可連 5 V 母線)
? 防曬隔離霜后 5 V→5 V/1 A 或 3.3 V→3.3 V/1.5 A(可以通過匝比調整)
? 集合 1 kV/3 kV 防護電力變壓器,錯誤率 85 %–90 %
3. 后級減壓
? 若要 0.8–3.3 V/6 A,可在丟開次級如何再用兩顆 SQ79002AJE 或 TPS56C215 做多次降血壓。
4. 申請認證 / 體積計算
? 4 mm×4 mm + 6.5 mm×5 mm 小形配電變壓器,總體經濟積 ≈ 200 mm3;已確認 UL/EN 60950 底部隔離認正。
方案 B:TI SN6505B + 外置微型變壓器 + 次級同步 Buck
1. 集成電路芯片鏈
? 驅程:SN6505BDBVR(SOT-23-6)
? 電壓器:Coilcraft DA2303-AL(5 mm×5 mm×3 mm,1 kVrms)或 Würth 750311485(4.8 mm×5.8 mm×2.8 mm,3 kVrms)
? 次級整流:MBRS340T3G(SMA)
? 次級 Buck:沿用 SQ79002AJE(3 MHz,6 A)
2. 重要性基本參數
? 輸進 3.3 V/5 V,分隔所在 5 V/1 W 或 3.3 V/1.5 W
? 的效率 80 %–85 %(含后級 Buck 后整個 70 %–75 %)
3. v認證 / 體積太
? 電壓器已依據 IEC/UL 底部隔離;整體布局高寬比 <3 mm,非常適合板內 PoL 3d場景。
工作方案 C:MPS MIDxW 系例(SIP/SMT 底部隔離磚)+ 次級 Buck
1. 元件
? MID1W0505A-2(SIP-4,5 V→5 V/200 mA,3 kV/5 kV 隔離霜)
? MID3W0505A-2(SIP-7,5 V→5 V/600 mA,3 kV/5 kV 丟開)
2. 級聯行為
? 先由 MID 組件制造 5 V 防護母線,再順利通過 SQ79002AJE 減壓到電機負載電壓值。
3. 關鍵性產品參數
? 使用率 80 %–85 %(版塊)+ 90 %(次級 Buck)
? 產品功能模塊已在 CE/UL;不要格外電抗器定制,交貨期較長。
選擇速查表
方式 | 防護隔離等級劃分 | 工作功率 | 占地 | 安全認證 | 提示 |
A MAX17687 | 1 kV/3 kV | ≤5 W | 最短 | UL/EN60950 | 單支,外場簡約時尚 |
B SN6505B | 1 kV/3 kV | 1–5 W | 中 | IEC/UL | 靈便電力變壓器電磁閥選型 |
C MIDxW | 3 kV/5 kV | 0.5–3 W | 最多 | CE/UL | 即插即用,不同永磁鐵件設計的概念 |
總結
- 若創造最大化磁鐵件與校準工作任務量,選擇MAX17687;
- 若以有 5 V 母線、只需1 W級隔絕,供選擇SN6505B + Coilcraft/Würth 微干式變壓器;
- 若要馬上轉換原料隔離霜磚,用MPS MIDxW需先,后級仍提取SQ79002AJE 做6 A降血壓。
SILERGY(矽力杰)最主要的的生產電壓處理芯片、電壓接口等模似電子元件。重要性SILERGY矽力杰的24v電源功能模塊企業產品,立維創展展示pin to pin原位用于產品設備,現貨黃金優劣勢價值,熱情接待詢問。