行業內咨詢
發部時間段:2025-09-04 16:29:51 瀏覽訪問:48
AIP0030-67-3506是 WENTEQ 推行的兩款鍵盤輸入保養低低頻噪音變小器,專為高機靈度發送到系統化定制,其核心內容技能重在拖動絢爛rf射頻警報的同樣,完成內嵌庇護制度化以避免高工率設置警報對拖動器造毀損。AIP0030-67-3506符合于雷達天線天線、北斗衛星通信網絡、飛防航空等必須 凈化處理高gif動態位置衛星信號的場境,特別是在符合相控陣雷達天線天線和多錄入多輸入輸出(MIMO)系統性中發射點/收發同軸電纜解耦引發的高瓦數電平生活環境。

型號規格技術指標
速率依據:200至400 MHz
環境噪聲指數公式:0.6dB典例值,+25度時最大的0.75dB
P-1dB壓縮視頻點:+最高10dBm
標稱增加收益:的基板氣溫為25°C時為35 dB
增加收益平緩度:+/-一整塊頻帶寬度0.75 dB
增加收益影響:+/--40至+85°C學習環境溫差下為1.0dB
大顯示無損音樂傷公率:1瓦CW
發送駐波:典型示范1.5:1,極大1.7:1
輸出電壓駐波:非常典型指標值1.2:1,主要數值為1.5:1
雜 散:極限-60 dBc
操作水溫:-40至+85°C
存儲空間氣溫:-50至+125°C
直流變壓器電源線:100mA@+12V
復制粘貼/輸出精度相連器:SMA型母頭
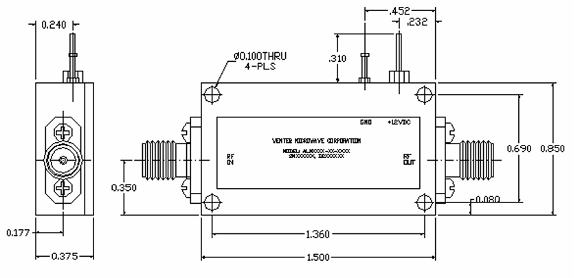
長寬比:1.509英寸x0.855英寸x0.375
適用情境
國際航空核工業與小行星通訊技術
l 在定位推送系統性中,AIP0030 - 67 - 3506可變大絢爛遙感衛星預警,同樣防范位置覆蓋或領近儀器產生的高工作功率抑制,基本保障通訊網絡穩定可靠性。
雷達探測與電子為了滿足電子時代發展的需求,戰設計
l 相控陣聲納中,放射無線與傳輸無線耦合電路已經從而導致傳輸車道放入公率增加。AIP0030-67-3506能夠迅速初始化失敗確保電路原理,解決高瓦數損壞前端開發器材,延長了裝置使用時間。
5G MIMO與中頻通訊技術
l 在5G通信基站中,冬天線的同時崗位或者所產生高額定功率數據透漏。AIP0030 - 67 - 3506的工作噪音小污染性能指標與發送保護區能力相結合,加快數字信號受到重量,減小誤碼率。
上海市立維創展科技開發是WENTEQ的供應商商,常見帶來了WENTEQ食品涉及到環行器、隔開器、負載電阻電子設備等,食品正品美國進口,質理可以保障,價格競爭優勢,感謝咨詢了解。。