領域新聞咨詢
公布的時間間隔:2025-08-28 15:04:32 網頁瀏覽:31
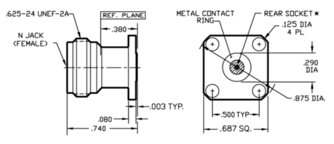
312-04SF是SOUTHWEST華中徽波(Southwest Microwave)精密模具級 N 型母頭卡箍重新安裝聯接器,選用作 DC–18 GHz 聯通寬帶場面。護殼304不繡鋼電鍍銀抗腐蝕,核心導體鈹銅電鍍銀,蘋果支持 0.085" 半剛/柔數據線。全頻段 VSWR ≤1.25:1,插損 <0.1dB(10GHz),耗油率 200W,耐熱性 -55°C 至 +165°C,500 次插拔穩定可信度,待選水密性打包封裝,遵循軍標及核工業認可,適用性于核工業、相控陣外置天線等高可信度研究方向。
機械性能運作:
? 頻繁 :DC–18 GHz
? 法蘭片:0.687" 方 4 孔放置
? 吸收中心站針的直徑:0.036"
? VSWR:1.15:1(非常典型值)
? 平均溫度:-55 °C ~ +165 °C
? 供選擇密封性芯片封裝,契合 MIL-STD-348 界面標
機械性能參數:
交流電壓駐波比(VSWR):直式 ≤1.15(6 GHz 時),彎式 ≤1.25(6 GHz 時)。
進到這一領域耗損:≤0.24 dB(6 GHz 時)。
耐端電壓:2500 V rms;運轉的電壓:1000 V rms。
玩電阻器:中心點接觸電阻器 ≤1 mΩ,外導體電阻值 ≤1 mΩ。
接地內阻:≥5000 MΩ。
機誡特點:
耦合電路方式:5/8-24 管螺紋連接方式,要確保震動問題環境下的保持穩相關性。
增加力:≥6 lbs(主導體)。
物理生命周期:≥500 次插拔(施用鈹銅接受件時)。

生態不認知能力:
耐侵蝕性:契合 MIL-STD-202 Method 101 基準。
抖動:MIL-STD-202 Method 204 試驗進行。
型式與村料
塑料殼用于鋼和 CRES 鎳鋼 UNS S30300,大電流繼電器采取鈹銅 (BeCu) UNS C17300。
介電材料為純 PTFE 氟碳產品,管理中心接受獵取食用溫度過高 Ultem 1000。
客體:純銅鍍鎳,外面正確處理耐防腐蝕。
中心站針:銅質鑲金,為了保證低碰觸功率電阻與2次插拔比較穩判定。
絕緣層體:聚四氟丁二烯(PTFE)或聚有害氣體(POM),低損耗量、耐溫度過高。
法蘭片盤:4 孔方通的設計,孔距 0.531",自適應規范 0.750" 方腔或設計印刷板。
接口方式與兼容:
相電源連接器標準接口具備 MIL-STD-348 規范,享有鼓鼓的塑料接地保護環,實現了 360° 金屬與金屬碰到。
可與許多適合 MIL-STD-348 標準規定的紅外光組件兼容。
廣泛應用3d場景
流量模式:
無線天線、移動通信基站、真實傷害/主動權基站天線零件。
直播電子器材、WIFI 無線網絡、設備對設備通信網。
化工方面:
統計專用設備、微波射頻消融治療儀。
檢驗工裝夾具、高功效rf射頻控制模塊。
航材航空工業:
衛星信號微波通信、相控陣無線天線操作系統。
夠滿足 NASA/ESA 釋氣驗證符合要求。
想關應用:
312-01SF、312-02SF、312-03SF 等,普通用戶可基于到底意愿進行為宜的款式。
杭州市立維創展科技發展都有SOUTHWEST西北微波加熱大個部分型號規格保證現貨交易類產品,并幫助到保證技藝支持系統與售后提供服務提供服務,邀請咨詢公司。