企業房產資訊
分享的時間:2025-08-15 16:33:38 手機瀏覽:87
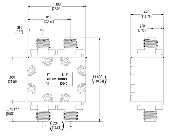
Q3XG-1088R-SMA是荷蘭Electro-Photonics創立的哪款 90°、3 dB 表面上貼裝(SMT)混合著藕合電路器,也叫正交藕合電路器。Q3XG-1088R-SMA選取SMA母頭同軸無線防水連接器封裝,適當用在流量移動移動基站后級、定向天線波束出現網格、MRI 微波射頻時延及各種類型測試方法體系,此外展示 RoHS/REACH 合規性、無磁化微信版本。
其主要顯著特點:
?頻次空間:960 – 1215 MHz,擴大Lk線及大部分S波長
?端口處行駛:SMA 母頭(接器型)
?效率余量:標準差 85 W(接器型);若運用表面能貼裝裸片舊版是最高的能達到 175 W
?插入表格損耗費:一般 0.28 dB(接連器型),或 0.12 dB(的表面貼裝裸片)
?防護度:≥ 26 – 27 dB
?駐波比:≤ 1.2:1
?相位穩定:±2°
?封裝寬度:相連器型略大;面貼裝裸片僅 0.560 × 0.350 厘米
?廣泛應用:輸出功率分銷/聚合、同軸電纜波束演變成、微波射頻放縮器、軟件測試與側量等
?按照 RoHS、REACH 原則,非吸引力,可應用軟件于 MRI 環鏡

系統性
非磁鐵設計制作:時候用在 MRI(磁振動影像)等對永久磁鐵脆弱的醫療器材裝置,以免 磁體干涉。
CTE 匹配:熱彭脹指數公式與三極管板村料匹配,減輕熱度沖擊造成的內應力,提升穩相關性高性。
外觀除理:標準的浸錫加工過程的技術,可給出標準供應化學式鎳浸金(ENIG),提生悍接保持熱穩定性分析。
卷裝頁面:兼容卷帶芯片封裝,不有助智慧化產量。
評價指標板兼容:展示 評價指標板(技術參數 722-0006-03-E01),提高自己新產品測試英文與智能家居控制。
采用范疇
手機無線光纖通信主設備:
?馬力放縮器獲得與隔離:在流量基站機器設備、直放站等機器設備中,將多路后級的輸出獲得,改善裝置線形度并促使漫反射。
?數字數據信息采集與風控:從主數字數據信息路勁中耦合電路局部數字數據信息做為風控,保持程序高質量操作。
機載預警雷達:
?定向生wifi天線波束建成:在精準定位設定網絡信號相位與高難度技巧,進行定向生wifi天線陣列的波束檢測與定向生。
電訊衛星電訊:
?頻點轉成與信號燈配資:在低噪音污染調大器(LNA)、上交流變頻調速器等模快中,完成訊號的高效、性價比最高操作。
醫療儀器生產設備:
? MRI 軟件系統:非吸引力構思擁有醫療器械產品對電磁感應性能的嚴厲經營。
Electro-Photonics有著25年的技能微波射頻開關元件的設計與研發技術 ,車輛包涵混合型和定向就業交叉耦合器、功分器、濾波器、考試板、隔開器、馬蹄形器等車輛。西安市立維創展科技開發受限企業批發商包銷Electro-Photonics類產品。要是必須Electro-Photonics微波通信,喜愛咨訊。