常常
LA302 Z–10GHz差分限制放大器
LA302 Z–10GHz差分限制放大器快速路數據表格通信網16針朔料QFN裝封采樣系統率:限幅放縮器顯示上行速率:10 GHzSFDR:
LA310Z–8.3 GHz差分限制放大器
LA310Z–8.3 GHz差分限定放小器抽樣率:限幅變成器填寫速率:10 GHzSFDR:
10 Gbps跨阻放大器 TA205C
10 Gbps跨阻變小器 TA205C作用:10 Gbps跨阻調小器(5V)
LD162D? 差分激光二極管驅動器
OC-192/STM-64/10GbELD162DZ\U_G0 差分智能機械整流二極管驅動下載器32針QFN封口功能鍵:差分TOSA能夠器(5V)
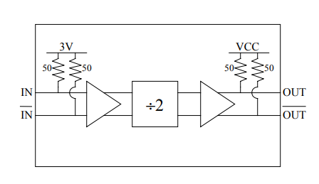
14GHz Divide-by-2 DV002
14GHz Divide-by-2 DV002分頻比:2數字時鐘規律:14 GHz癥狀:低電量顯示
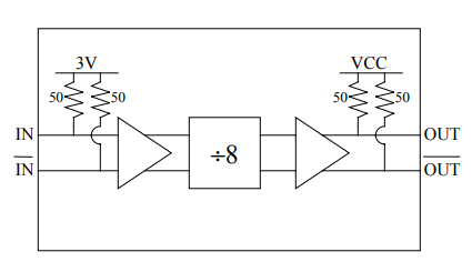
14GHz Divide-by-8 DV008
14GHz Divide-by-8 DV008分頻比:8鐘表速率:14 GHz特征:低電量
特征:低電量
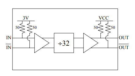
14GHz Divide-by-32 DV032
14GHz Divide-by-32 DV032分頻比:32掛鐘率:14 GHz特征描述:低電容量
12GHz Dual-Modulus Divide-by-4/5 DV45D
12GHz Dual-Modulus Divide-by-4/5 DV45D分頻比:4/5數字時鐘率:12 GHz特色:雙模量4/5
10GHz Programmable Divide-by-2 to 31 DV31P
10GHz Programmable Divide-by-2 to 31 DV31P分頻比:2?31數字時鐘次數:10 GHz特點:可編序變位系數2?31
8GHz Programmable Divide-by-128 to 255 DV255N
8GHz Programmable Divide-by-128 to 255 DV255N分頻比:128?255掛鐘工作頻率:8 GHz共同點:可代碼變位系數128?255
共2頁40條數據