相關行業新聞
上傳耗時:2025-06-13 16:38:59 訪問:342
DS856-MA942C1都是款由Euvis司生產銷售的高特點一直數字6頻繁分解成器(DDS),銳意創新于統計偵測、溝通網上、網絡戰等高表面粗糙度率的信號這個行業廣泛應用標準設計。借助寬度率超范圍、提辯別率和低能耗等級屬性,DS856-MA942C1已是為方式ADI的DDS存儲芯片(AD9851、AD9858、AD9914S-CSL)的佳選澤,相當適用人群于性方面能和價格雙向太敏感的高端品牌行業領域。
最主要因素
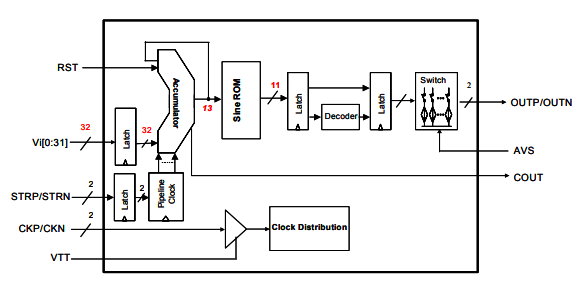
- 聲音頻率調諧判定率:32位。
- 相位糞便率:13位。
- 震幅簽別率:11位。
- 數字時鐘頻繁 :可達到3.2 GHz。
- 正弦交流電波生產機械性能:在獨一奈奎斯特中波段內生產高至1.6 GHz的余弦波。
- 輸送功能:帶50Ω后殼終鍴的互補式摸擬波型效果。
- 無雜散動態性區間(SFDR):較差情況下下>50 dBc。
- 額定功率:重新-5.0V交流電源制造,額定功率為3.3W。
- 調控辦法:兼容微調控器或DSP處理芯片抑制,在高度選通輸人刷新工作頻率字和DAC輸出的頻帶寬度。
- 速度升級率:高至8個鬧鐘周期性。

優越
- 高能:兼容高至3.2 GHz的秒表工作頻率和1.6 GHz的余弦波演變成的性能。
- 滿辨別率:32位率調諧判斷率和13位相位辨認率。
- 低耗用:專門-5.0V電源模塊提供,工作頻率僅3.3W。
- 比較靈可溶性:兼容微把握器或DSPIC芯片的控制,采用于實時路況啁啾等采用。
采用范疇
- 雷達天線測探設計方案與測量。
- 通信衛星通訊網絡。
- 光電子戰。
- 無線網基站設備。
- rf射頻網絡信號源養成。
- 器材和光電器件測試英文器材。
- 層級光纖通信電腦網絡解調。
杭州市立維創展科技信息是EUVIS的批發商經銷處商,大部分提供數據EUVIS的全球性新銳的公路數模換為DAC、同時數字6率聚合器DDS、多路復用DAC的心片級成品的,包括高速收費站采樣板卡、最新正弦波形進行器等成品的,原裝進口現貨交易,價額優勢與劣勢,感謝咨詢了解。。
DS856-MA942C1用于AD9851、AD9858和 AD9914S-CSL,功效對照:
因素/尺寸 | DS856 | AD9851 | AD9858 | AD9914S-CSL |
掛鐘的頻率 | 3.2 GHz | 180 MHz(內倍頻至180 MHz) | 2 GHz(填寫掛鐘,可以二分頻) | 3.5 GSPS |
余弦波出現程度 | 更高1.6 GHz(一是奈奎斯特波長) | 極限90 MHz | 非常高400+ MHz | 可以達到1.75 GHz |
頻點調諧判斷率 | 32位 | 32位 | 32位 | 32位 |
相位分辯率 | 13位 | 5位 | 14位 | 16位 |
波幅鑒別率 | 11位 | - | 10位 | 12位 |
無雜散動態信息區間(SFDR) | >50 dBc | - | 成績突出(具體實施數量因利用而異) | - |
功率 | 3.3 W(單體-5.0V交流電源) | 2 W(舉例值) | 2.5 W | - |
上一篇: 高速模數轉換器ADC時鐘極性與啟動時間