市場方式
發表事件:2025-06-10 16:32:01 瀏覽網頁:300
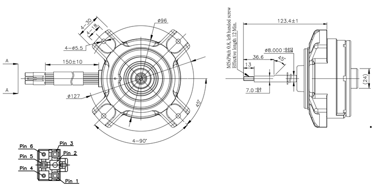
MH096D3RD直流電無刷電機馬達是臺達(DELTA)生孩子生產的那款能桌越直流電壓無刷電機,具備著種發達水平優勢。MH096D3RD故有轉化率高率、保持穩判定、環保性以及其方便于組裝的特征參數,是成百上千高技術性餐飲行業app下的非常完美選定 。
關鍵參數設置
變頻電動機類形:三相四線制直流電壓無刷變頻電動機(BLDC)
載荷系數交流電壓:24V/48V
額定負載電率:50W-200W(典例值)
電機額定功率發動機轉速:3000-5000 RPM
要點特點
機械制造性:
內徑:96mm(MH096表現96mm電動機軸)
裝設制作工藝:蝶閥法蘭裝設(D3數字代表專項 蝶閥法蘭具體型號)
軸徑:8mm/10mm(常用的規格)

電力設備運作:
穩定交流電:2A-5A
極多數:4極/8極
絕緣帶定級:B級或F級(130°C或155°C)
性參數設置:
使用率:≥85%
輕載電壓:<0.5A
通電力矩:額定值轉矩的2-3倍
接線方法與接口類型:
殼體:JST ELP-06V或相近的管腳1:紅色的,Vm(310 VDC)
管腳2:黃綠色,電流大小跟進
管腳3:暗紅色,Vcc(15VDC)
管腳4:黑色,F/G預警輸入(4輸入脈沖/轉)
管腳5:呈黃色,Vsp(0~5.7 VDC)
管腳6:一樣,GND)
健康性:CCC
武漢市立維創展科技發展較少新公司以DELTA排氣扇更多外盤倉庫為地方特色,以的優勢的定價為客打造服務的,歡迎圖片了解和咨詢。
機型 | 操作的電壓(交流電電) | 額定負載交流電壓(交流電電)
| 脈沖激光/轉動速度 | 額定的電流流速(轉/小時) | 額定最大扭矩(牛·mm) | 特殊工作電流(安培) | 工率內容輸出工率(瓦) | 無環境下噪音污染(聲音頻率(A)) |
MH096D3RD | 280 ~ 340 | 310 | 4 | 1400 | 34.1 | 0.230 | 50 | < 50 |
上一篇: ?為何DELTA臺達風扇備受認可?
下一篇: ?SUNON建準DC鼓風機