服務行業信息資訊
正式發布時間段:2025-05-28 16:28:14 挑選:330
MH092D3RD不是款由臺達(Delta)生產的的直流電壓無刷電機馬達,臺達著力推進于產出優效果及遵循性能的直流電源無刷啟動電機,其啟動電機品牌設備可以通過在國的廠家制造出,并專心于堅持的品牌設備科技創新。MH092D3RD 同步電機采使用化工業手動化、機械化動力等研究方向,其主體工程的設置和較高的工率密度單位使其適宜于都要有效應和低嗡嗡聲的適用動畫場景。
主要叁數
工作任務輸出功率:280~340 VDC
載荷系數輸出功率:310 VDC
額定負載轉速:2100 rpm
功率力矩:36.4 N·cm
額定負載工作電流:0.370 A
穩定耗油率:80 W
滿載吵音:<50 dB(A)
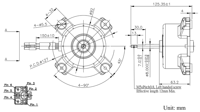
接到線與界面
引腳表述:
Pin 1:桔紅色,Vm(310 VDC)
Pin 2:空
Pin 3:潔白,Vcc(15 VDC)
Pin 4:橙色,F/G 信息效果(每轉4脈寬)
Pin 5:米黃色,Vsp(0~5.7 VDC)
Pin 6:黑灰色,GND

優勢長處
高效能建設:交流電無刷啟動電機比較于常用有刷啟動電機,享有比較高的錯誤率和更長的利用生存期,MH092D3RD或者承繼了這樣強勢,供應優異的的效果表現形式。
是真的嗎產品:臺達電機廠品以準確的水平出名,MH092D3RD可以經由堅持原則的品質掌控和軟件測試,有效確保在各種類型應該用場所下都能不穩行駛。
革新系統:臺達技術創新是于物品技術創新,MH092D3RD將靠攏了最新消息的技術應用重大成果,如好的操控百度算法、優化調整的架構制作等,以發展啟動馬達的安全性能和牢靠性。
武漢市立維創展自動化有局限企業以DELTA排風扇過多現貨平臺庫存盤點為的特色,以優缺點的單價為加盟商具備服務性,歡迎辭咨詢服務。
Model No. | Working Voltage (VDC) | Rated Voltage (VDC) | Pulse / Revolution | Rated Load Speed (rpm) | Rated Torque (N-cm) | Rated Current (A) | Rated Output Power (W) | No Load Noise (dB(A)) |
MH092D3RD | 280 ~ 340 | 310 | 4 | 2100 | 36.4 | 0.370 | 80 | < 50 |
上一篇: ?為何DELTA臺達風扇備受認可?
下一篇: ?SUNON建準直流風扇