業內咨訊
公布的準確時間:2024-11-13 17:32:14 瀏覽訪問:853
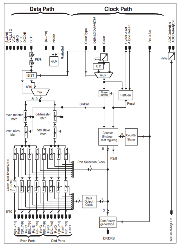
TS81102G0FS是E2V的一類單支10位繞城高速(高至1.5Gsps)多路分用器。DMUX一般說來使用在和很多ADC并且工作中,具有體地說,TS81102G0FS與e2v穩定ADC 8位1Gsps TS8388B、ADC 10位2Gsps TS83102G0B好兼容性測試。
TS81102G0FS并選擇根據足夠檢驗員的架構部署,涵蓋超時調節與調節器式打出電平。
TS81102G0FS能否讓用戶賬戶將高速的輸送數據分析流開發到標準規范單位4g信號加工CPU強度(標準規范單位FPGA)

關鍵的特點
可源程序DMUX占有率:
-1:4統計數據波特率至高=750 Msps
-PD(8b/10b)<4.3/4.7W(ECL 50的輸出)
-1:8數據庫頻率最大=1.5Gsps
-PD(8b/10b)<6/6.9W(ECL 50轉換)
-1:16,帶1個TS8388B或1個TS83102GO和2個DMUX
并行執行所在方法
8/10位
.ECL差分導入資料
.數據信息文件需備或數據信息文件需備/2填寫鐘表
.導入數字時鐘抽樣廷遲調控
單端輸入輸出數據表格:-可變式共模和晃動-原理性域值可以參考輸出精度
-ECL、PECL、TTL
.異步重設
數據同步解鎖
.ADC和DMUX多的通道方法軟件:軟件于ADC采集即時性居采和獨特推遲轉換傳感器
差成績據需要準備輸入
嵌到自我檢查(BIST)
雙供電VEE=-5V,Vcc=5V
·面相輔射耐受力力整體的制作(估計以上100 Krad(Si))
熱開展CQFP196腔向下二極管封裝
淘汰
任務溫差:
-C級:0C-V級:-40℃-M級:-55C·“C”、“V”和“M”級的原則檢驗層面
·ESA SCC 9000“M”級部分需求流程(按照要)
長沙立維創展社會是Teledyne E2V的經銷處商,主要的展現給Teledyne E2V數模更換器和半導體技術,Teledyne E2V的應用軟件行業有通信網絡、主動化、發覺、診療、環保健康等。價格強勢,誠邀咨訊。