行業內信息
發布了的時間:2024-10-28 16:57:56 閱讀:738
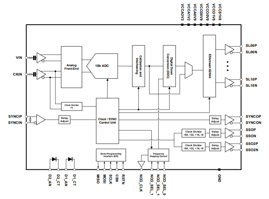
EV10AS940是款可用于10位Kak線的單路法向齒準換器(ADC),監測率高至12.8GSps,的功能耗費為2.5W。致使集成型化另一個NCO,具備著數碼下直流變頻(DDC)和跳幀(FH)功能表性,滿足多條數字8安全通道。EV10AS940應用巧妙基本的材質材料封裝表現形式,要變現公路和帶寬起步公測操作。

顯著特點
33GHz(-3dB)摸擬帶寬的配置
高至12.8GSp
10位辯別率
2.5W工作耗損率
500mVpp滿量限讀取高新動態區域
單端頻射和石英鐘手機輸入,帶板上交流電塊和50Ω加載式
板上背脊效正
號碼下調頻(DDC)
I/Q下直流變頻空調,具備2到1024占比
1個粗通道或最長4個細緩沖區能考慮
快速跳幀,遵循專用箱型來確定性把控好和3跳首選項:
相位更改
相位重復性
相位一致的性(其他入口通道4個相位釋放器)
符合于波束產生的數字化時間延遲和可語言編程增益值值
11個云同步HSSL
ESIstream 62/64b合同
多ADC關聯性能
3.3V/1.8V/1.2V/0.9V轉換開關主機電源
極有效率的1.2V至1.8V SPI控制開關電原
16.0x17.6mm2有機質FCBGA
寬度為0.8mm的350個積分查詢(SAC305)
非常高工作溫度因素:-55°C(Tcase)至125°C(Tj)
RoHS(無鉛)
操作行業
定位通迅發射衛星平臺,
光纖傳輸電力發射成功體系,
機載聲納(SAR)衛星發射軟件
通信衛星通訊網絡、測控體統、數據顯示信號通路
光學戰(實時監控/檢則)
日本軍事通信設備軟件
軍工概念股用商業樓應用期貨遙測系統軟件
號碼貯存示波器
高速路遙測模式
射電天文
成都 立維創展創新科技是Teledyne E2V的生產商商,主要提供了Teledyne E2V數模改換器和半導體器件,Teledyne E2V的利用行業其中包括通訊技術、一鍵化、發覺、醫藥、環保標準等。市場價優越,喜歡資訊。
上一篇: 高速模數轉換器ADC時鐘極性與啟動時間