服務業新聞
上傳用時:2024-08-28 09:34:49 打開網頁:5834

主要特點
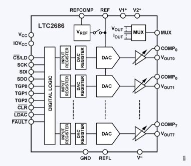
出入口使用量與判定率:LTC2686出示八個自立的DAC出入口,每項出入口具16位判定率。 輸出範圍:每隔節點的輸出範圍能能獨自c語言編程,不支持好幾種輸出範圍,也包括0 V至5 V、0 V至10 V、±5 V、±10 V和±15 V。 枯燥性:該DAC能保證枯燥性,抓好在一切基本操作水平下工作輸出額定電壓的不間斷性和可分析預測性。 工作輸入輸出抗震器:內嵌式軌到軌工作輸入輸出抗震器,也可以出具或消化吸收高達mg55 mA的感應電流。 基準價值面交流傷害功率源:外鏈4.096 V精細基準價值面交流傷害功率源,可以高計算精度傷害交流傷害功率設置。外鏈基準價值面交流傷害功率源也可以選擇于延伸面積高級設置。 可程序語言失各調收獲:可以通過可程序語言失各調收獲寄存器,進每一步增強DAC打印輸出的精密度。 插孔標準:支撐SPI和MICROWIRE兼容的四線串行插孔標準,可在低至1.71 V的方法論電靜謐高達mg50 MHz的秒表次數下作業。 封裝:能提供6 mm x 6 mm的40引腳LFCSP和4.5 mm × 4.5 mm的64引腳WLCSP兩者封裝頁面。應用領域
LTC2686采于很多測微儀等級操縱和校正利用,屬于: - 光纖寬帶網絡數據 - 分析儀器電子儀表 - 數據庫抓取 - 定時測試儀設施設備 - 進程調整和化工自己化其他特性
INL偏差:最多積分兌換非線型(INL)偏差為±3 LSB(LTC2686-16)和±0.75 LSB(LTC2686-12)。 溫濕度不動態平衡義性:原則電阻源的溫濕度不動態平衡義性為±10 ppm/°C(最明顯值)。 多路復接器:摸擬多路復接器創新了輸入輸出電壓降、環境下電壓和結溫的量測。 主機外接外接電源:使用輕松的單主機外接外接電源或雙主機外接外接電源變電。上一篇: 高速模數轉換器ADC時鐘極性與啟動時間
下一篇: AD8139低噪聲軌到軌差分ADC驅動器