AD9176雙路通道16個數模轉變器(DAC)
發部日期:2024-06-12 09:21:24 搜索:6938
AD9176是ADI一款高性能的雙通道16位數模轉換器(DAC),支持高達12.6 GSPS的DAC采樣速率。它采用了8線15.4 Gbps
JESD204B數據輸入端口,以及高性能的片內DAC時鐘倍頻器和數字信號處理功能,非常適合于單頻段和多頻段直接到射頻(RF)無線應用。
Model' | Temperature Range | Package Description | Package Optio |
AD9176BBPZ AD9176BBPZRL AD9176-FMC-EBZ | -40℃to+85℃ -40℃ to+85℃ | 144-Ball Ball Grid Array,Thermally Enhanced [BGA_ED 144-Ball Ball Grid Array,Thermally Enhanced [BGA_ED] Evaluation Board | BP-144-1 BP-144-1 |
該DAC的特質涵蓋任何RF
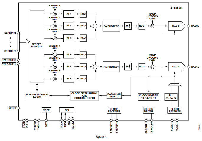
DAC數劇線路享有以下三個復接數劇插入短信清算檢修檢修檢修通道,任何插入短信清算檢修檢修檢修通道都行以非常旁通。任何數劇插入短信清算檢修檢修檢修通道(或頻帶會選擇器)含有可手機配置的增加收益級、內插濾波器和用作靈活多變多頻段規模的短信清算檢修檢修檢修通道數車自由振蕩器(NCO)。AD9176可以高達獨角獸到3.08
GSPS的復接數劇數率(I/Q),或高達獨角獸到6.16 GSPS的非復接數劇數率(真正),并能將另一個復接插入數劇流合理安排給任意短信清算檢修檢修檢修通道進行另外操作。

AD9176還可以支持寬度數據庫表格報告資料報告波特率經營模式,可以跳過端口采用器和主數據庫表格報告資料報告絕對路徑,是獨立16位DAC保證多達6.16
GSPS的非常大程度數據庫表格報告資料報告波特率,或是雙路16位DAC保證多達3.08 GSPS的非常大程度數據庫表格報告資料報告波特率,或是雙路12位DAC保證多達4.1 GSPS的非常大程度數據庫表格報告資料報告波特率。 AD9176用到144球BGA_ED封口,可中用于無線網絡wifi網絡無線網絡wifi通信技術知識公共基礎設施裝備、多頻段基站裝備無線網絡wifi網絡電、微波通信/E頻段回城平臺、機器裝備義表、主動測驗裝備(ATE)、雷達天線和干預器等APP。其產品的優勢有低功率多短信通道雙路DAC設定,能夠單頻段和多頻段無線網絡wifi網絡APP,最大化復接參數數率高至3.08
GSPS(16位辨別率)和高至4.1 GSPS(12位辨別率),及及超高下行帶寬單路DAC格局,能夠高至6.16 GSPS的參數數率(16位辨別率)。 特點幾個方面,AD9176的使用多頻段移動應用軟件,所有RF DAC極具3個可旁路復接技術統計統計資料設置綠色入口,所有設置綠色入口的更大復接技術設置統計統計資料強度達3.08
GSPS,所有設置綠色入口極具8個獨自的NCO,多特點的低雜散和失幀開發,方便的8線、15.4 Gbps
JESD204B插口,的使用單頻段和多頻段的使用真實案例,的使用12位高強度傳統模式,多集成控制電路芯片同歩,的使用JESD204B子類1,可供選擇擇內插濾波器,1×、2×、3×、4×、6×和8×可配值統計統計資料綠色入口插值,1×、2×、4×、6×、8×和12×可配值既定插值,既定的48位NCO,以DAC強度作業,可的使用多達6
GHz的次數結合,發射點使能特點可推動加倍手機省電和上下游控制電路保障,高特性、低噪音PLL秒表倍頻器,的使用12.6 GSPS
DAC升級更新率,極具可供選擇分頻比的洞察分析ADC秒表驅程器,及及低功耗測試開發,2.54 W額定功率,極具兩個以12 GSPS作業的DAC,DAC
PLL進入設置,極具塑料資料隔冷蓋的10 mm × 10 mm 144球BGA_ED封裝,行間距為0.80 mm。
深圳市立維創展科技是ADI的生產商商。ADI基帶芯片護膚品供貨:縮放器、平滑護膚品、數值轉移器、音短視頻護膚品、帶寬護膚品、鐘表和按時IC、光釬和光釬光通信護膚品、插口和間隔時間、MEMS和調節器器、24v電源和熱經管、加工器和DSP、rf射頻和圖案加工器、旋轉開關和分路器等。
大多數產品,均具備現貨黃金庫存盤點購貨。*多數技術參數需學生申請出口處經營 ,熱烈歡迎詳詢!!!