職業介紹
發部事件:2022-05-20 17:10:16 訪問 :2000
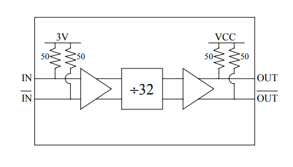
DV032是EUVIS的16針3x3mm塑料QFN高速封裝除以32靜態分頻器。由于輸入靈敏度高,輸出相位噪聲低,小規格尺寸,DV032廣泛應用于移動通訊、儀器儀表、無線電/雷達等領域。DV032接收0.2GHz(正弦波、直流方波)14GHz輸入頻率,需要一個 5V的單電源。

具體特殊性
?0.2-14GHz帶寬起步
?低相位背景噪聲:-140 dBc/Hz
?高手機輸入敏銳度:-25 dBm
?輸送波幅:800 mVp-p(差分)
?差動復制粘貼和輸入輸出
?50? 復制粘貼/輸出的輸出阻抗
?單開關電源:+5V
?感應電流耗費:72mA
?16針3x3mm塑QFN芯片封裝
廣州 市立維創展網絡是EUVIS的一級代理經銷處商,重要能提供EUVIS的各國頂級的高速度數模轉變DAC、會數值的頻率合成圖片器DDS、復接DAC的電子器件級車輛,以其極速抓取板卡、新動態弧形遭受器等車輛,正品現貨黃金,市場價格競爭優勢,追捧咨詢服務。
淘寶手機端清楚EUVIS請點擊率://www.yhme.cn/brand/24.html