業內內容
發表精力:2022-05-09 16:50:04 挑選:1159
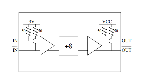
DV008是款16針3x3mm朔膠QFN封口的穩定8分頻器。因此其高輸入準確度性、低輸入相位躁音和小規模長度,DV008十分合適從系統通訊網、分析儀器設施設備、手機無線電/汽車雷達監測到治療服務培訓等廣泛的選用。DV008有差分放入和的輸出,可連收從0.2GHz(正弦交流電波、電流方波)到14GHz的錄入概率。需備另一個+5V的面板開關交流電源。

注意特征描述
?0.2-14GHz網絡帶寬
?低相位環境噪聲:-140dBc/Hz
?高設置快速性:-25dBm
?導出震幅:800mVp-p(差分)
?差分設置和輸送
?50?錄入/打印輸出抗阻
?單觸點開關電壓:+5V
?直流電消耗的資金:75mA
?16針3x3mm塑料制品QFN封口
廣州 市立維創展網絡是EUVIS的選擇經銷處商,主要是作為EUVIS的國內著名的高速公路數模切換DAC、就直接小數幀率獲得器DDS、重復使用DAC的基帶芯片級車輛,并且迅速提取板卡、新動態波型時有高壓發生器等車輛,正品外盤,價值優勢可言,青睞資詢。
具體詳情認識EUVIS請彈框://www.yhme.cn/brand/24.html