產業信息資訊
公布時(shi)期:2018-05-25 16:55:43 瀏覽記錄:9735
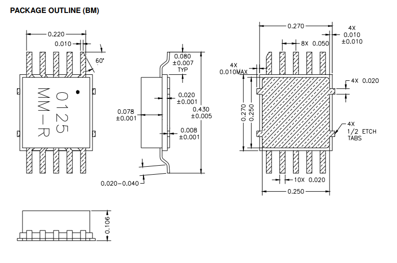
AMCOM的(de)AM012535MM-BM-R與(yu)AM012535MM-FM-R是(shi)GaAs MMIC功率(lv)(lv)放大器系列的(de)一部分(fen)。它(ta)(ta)有(you)(you)20 dB增益和(he)33 dBm輸出功率(lv)(lv),超過0.03到(dao)(dao)2.5 GHz。這個(ge)MMIC是(shi)在(zai)(zai)一個(ge)陶瓷封裝(zhuang)(zhuang)中(zhong),在(zai)(zai)包裝(zhuang)(zhuang)的(de)較低(di)的(de)層次上(shang)(shang)有(you)(you)射(she)頻和(he)直(zhi)(zhi)(zhi)流(liu)導(dao)線,以方便(bian)低(di)成本的(de)SMT組裝(zhuang)(zhuang)到(dao)(dao)PC板(ban)上(shang)(shang)。當(dang)直(zhi)(zhi)(zhi)接安(an)裝(zhuang)(zhuang)到(dao)(dao)PCB板(ban)上(shang)(shang)時,請參閱應用說(shuo)明(ming)AN700。由于(yu)高直(zhi)(zhi)(zhi)流(liu)功率(lv)(lv)損耗(hao),我們強烈(lie)建議(yi)將這些設(she)備直(zhi)(zhi)(zhi)接安(an)裝(zhuang)(zhuang)在(zai)(zai)金屬(shu)散熱器上(shang)(shang)。AM012535MM-FM-R是(shi)安(an)裝(zhuang)(zhuang)在(zai)(zai)鍍(du)金銅法蘭上(shang)(shang)的(de)AM012535MM-BM-R。法蘭上(shang)(shang)有(you)(you)兩個(ge)螺絲孔,便(bian)于(yu)擰到(dao)(dao)一個(ge)金屬(shu)散熱器上(shang)(shang)。 這個(ge)MMIC是(shi)符合(he)RoHS要求(qiu)的(de)。該產(chan)品通常在(zai)(zai)20V上(shang)(shang)有(you)(you)偏差,但它(ta)(ta)的(de)工作效(xiao)率(lv)(lv)低(di)至6V,具有(you)(you)相(xiang)同的(de)增益和(he)減少(shao)的(de)輸出功率(lv)(lv)。
假如您必須要選用AM012535MM-BM-R/AM012535MM-FM-R,請彈窗右方售后客服聯系起來我們大家!!!
| 品牌 | 型號 | 描述 | 貨期 | 庫存 |
| AMCOM | AM012535MM-BM-R/AM012535MM-FM-R | 20 dB收獲和33 dBm模擬輸出最大功率,可超過0.03到2.5 GHz。 | 現貨 | 300 |

應用