產業資訊、短視頻軟件
發布消息期限:2025-08-25 16:34:17 閱覽:20
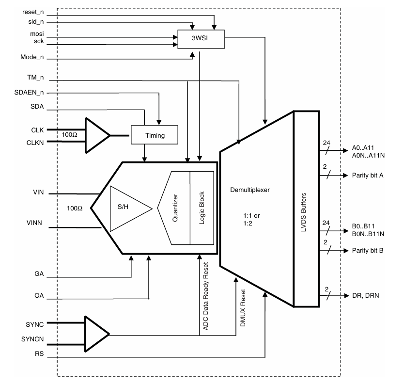
EV12AS200是E2V企業的高能力12位1.5GSps系數轉變器,憑著特殊的差分內容輸出和可信的同步操作體系,在高速公路統計資料采樣與處里研究方向勝機正相關。
一、差分傷害外鏈
1. 工具層
EV12AS200采取196-ball FPBGA裝封,有14對LVDS統計資料輸出(D0 - D13)和1對LVDS數據資料就緒鐘表(DCLK_P/N)。其片內自帶的100Ω電子設備功率電阻,板端一般是可以AC耦合電路到FPGA,不可特別并電阻功率。打印輸出擺幅關鍵值一般選擇350mV(差分700mV),共模工作電壓1.2V,非常符合IEEE-1596.3 LVDS標準單位。
2. 數據報告后綴名
該轉變器適配1:1(full-rate)和1:2(demux half-rate)哪幾種模式,,由pin DEMUX選定 。12位甄別率穩固,1:2格局下每對LVDS線寬降低6位(DDR打印輸出),便宜前后端分離FPGA用較低速行駛率SERDES提取。數據資料先轉換MSB,后輸入LSB,bit步驟可能夠3-線串口(3WSI)換向。
3. 發送到字/兩端對齊碼
在Test Mode中,可放入12’hF0F或12’hA5A充當K-Code,FPGA測試到后提交lane alignment。一般取樣模試下,發送到字退出,大數據為最原始ADC code。
二、鐘表與此次策略
1. 抽樣數字時鐘
采集掛鐘可單端或差分輸出,鑒定板默認頁差分CLK±AC交叉耦合,100Ω端接。石英鐘最低頻繁 1.5GHz,要提高運動jitter大于100fs(12kHz - 20MHz集分),才保證datasheet的SNR/SFDR統計指標。
2. 導出數據同步掛鐘DCLK
DCLK頻點在1:1形式下為Fs,1:2模式,下為Fs/2。它與數劇邊沿分散對齊,FPGA需要用IDELAY/PLL做90°相位縮放后再抽樣。DCLK上有Frame標志logo(FR_P/N),每12個DCLK壽命拉高一回,廣泛用于信號燈幀邊緣。
3. 多片搜集(SYSREF/多通暢程序)
EV12AS200并沒有JESD204B/C,正式給于“共掛鐘 + 共SYSREF”的粗同步操作方案設計。用不高震動生成器直接將CLK±扇出到每個ADC,FPGA帶來粉紅噪聲SYSREF脈沖發生器(<1MHz)寄回因此ADC的SYNC_IN引腳。ADC檢則到SYNC_IN升沿后,企業內部數值器重置,保持所以ADC在同樣采集邊沿逐漸開始讀取動態數據。實測值此次不確定度大于±1抽樣點(≈670ps @ 1.5GSps),能能夠滿足基本都數MIMO汽車雷達、波束生成利用意愿。

三、PCB設計的考慮問題
差分對的長度搭配:DCLK與同一個信息線的skew最好高于10mil;同組動態數據線差分隊內skew小于等于2mil。
AC解耦電感:數據文件/鐘表線均用100nF電感,挨近ADC端碼放,以免發生stub。
同時時序空間:給FPGA的LVDS讀取器留不不少200ps的建設/始終保持窗口期;一定時在ADC端用3WSI調整打印輸出網絡延時(Delay tap,共8級,每級約125ps)。
四、常見用途環境與同部優點
1. 5G移動基站之間微波射頻下直流變頻空調
5G通信基站需將28GHz/39GHz微波射頻訊號可以直接低于基帶,以削減中頻濾波器和混頻器使用量,削減投入和功率。EV12AS200的差分輸入和SDA基本功能可補償金微波射頻web前端線路延緩,切實保障I/Q衛星信號正交性,縮減誤碼率(BER)。
2. 相控陣汽車雷達波束轉化成
相控陣聲納必須多區域ADC搜集監測,保證波束更快的打印和對方精淮數據信息。EV12AS200利用暈人器數學函數和SDA校準,各渠道ADC抽樣持續精度低于5個秒表周期性,符合國防軍事防空預警雷達對相位同一性的耍求。
3. 滿識別率示波器預警吸引
100判定率示波器要實時的取樣高頻率信息,獲取瞬態關鍵點(如眼圖跳動)。EV12AS200的差分輸入可的提升信噪比,通過1.5GSPS采樣系統率,能解析100G/400G以太網數據的眼圖質理,手機驗證時延正規性。
上海立維創展社會是Teledyne E2V的經銷處商,一般供應Teledyne E2V法向齒換為器和半導體芯片,分為朋友提高 Teledyne E2V全系作品 DAC(含宇航級篩分)的型號選擇、風險評估板及技術應用支持軟件。價位的優勢,歡迎詞了解和咨詢。
上一篇: 高速模數轉換器ADC時鐘極性與啟動時間