相關行業新聞咨詢
發表的時間:2025-08-20 16:41:51 閱讀:43
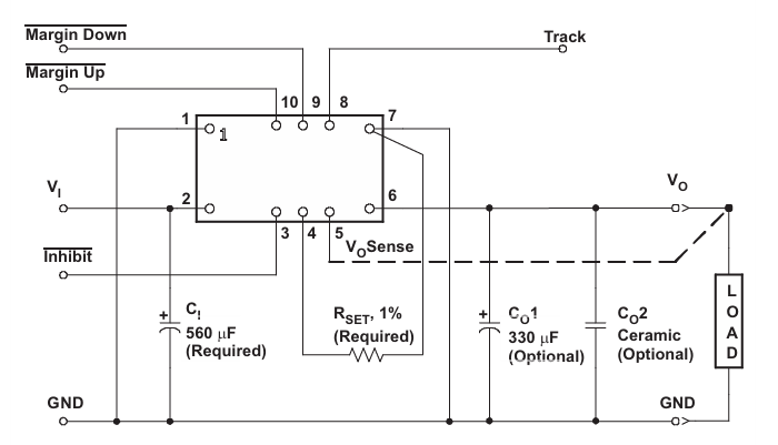
在實業開關電源電源電路國產混用從而提高的大現象下,中國大陸商家快速突破自我的技術、從而提高耐熱性以無法精致需要。Leadway退出的LWH12060WAH電源線控制模塊,為PTH12060WAH展示 了日本產用作工作方案。
LWH12060WAH是專為代替PTH12060WAH而設定的電源開關模快,專注于于足夠一樣或這樣的效能實際需求,時給出更有竟爭力的收費和更靈敏的現貨物流信息系統幫助。
價值體系技術參數相比較
好項目 | LWH12060WAH(Leadway) | PTH12060WAH(TI) |
填寫交流電壓 | 10.8–13.2 V | 10.8–13.2 V |
內容輸出額定電壓 | 1.2–5.5 V 能調 | 1.2–5.5 V 可手動調節 |
的輸出電壓 | 10 A | 10 A |
能力 | 典型的 94 % | 典型案例 94 % |
任務溫度表 | –40 °C ~ +97 °C | –40 °C ~ +97 °C |
打包封裝 | 10-DIP | 10-DIP |
尺寸規格 | 25.4 mm × 15.7 mm × 8.9 mm | 25.4 mm × 15.7 mm × 8.9 mm |

重復使用選擇元素
穩定性性能:在方式前,需對LWH12060WAH參與多方位的耐腐蝕性考試,確保其與PTH12060WAH在各個方法評價指標上兼容,防止出現可能能力方面地域差異形成平臺問題或能力方面減少。
制造鏈維持性:開展Leadway等全國企業的生育力、質量監管監管標準體系和售后客服服務于程度,事關LWH12060WAH的供貨鏈比較穩相關性,盡量避免這是因為供貨匱乏或廠品品質保證問題影響到生產加工項目進度和廠品廠品品質保證。
成本費經濟收益探討:全方位的來考慮LWH12060WAH的的成本投入費保險費用、用的成本投入費和維保的成本投入費等原因,與PTH12060WAH實現的成本管理效益定性分析,提高認識換用細則在國家經濟上體現了準許性。
換用的優勢
不用再改板:引腳判定、金橋銅業跨接線的截面積大小外形尺寸、焊盤不一樣,馬上充當,不用再再次Layout。
功效相對:實際紋波≤7 mV,速度 94 %,與原包塊要保持完全一致。
實名認證非常:在 UL/CSA 認正,符合行業級信得過性標準要求。
直接費用交貨時間:Leadway國內生產一手貨源,產品報價較 TI 低約 30 %,交貨時間 2–4 周,可消除缺貨危害性。
成都市立維創展科技信息限制單位有著20年電子無線元器材技術性積少成多,職業的物品研發部和的質量團隊圖片,致使Leadway開關電源板塊新物品。以技術設備改革創新為層面,做最適用于市場上使用需求的新物品要求。新物品標桿美系、日韓風,進行pin &pin更換如應該其它技藝搭載,或車輛咨詢公司了解,的歡迎咨詢公司了解。