該行業報告新聞
發部時刻:2018-06-06 10:47:01 閱覽:8430
HMC797APM5E也是款GaAs MMIC pHEMT地理分布式架構馬力增加器,業務概率比率為DC至22 GHz。該增加器展示 13.5 dB增加收益、39 dBm內容輸入IP3和+28 dBm內容輸入馬力(1 dB增加收益收縮),耗電為400 mA(選擇+10 V電源開關)。該便攜式鍵PA在4至20 GHz比率內含有正增加收益斜率,然而比較更適合EW、ECM、聲納和測試方法產品運用。HMC797APM5E增加器I/O里面配比至50 Ω,非常方便集成型到多IC芯片控制器(MCM)中,選擇無引腳QFN 5×5 mm表貼封裝形式,免外鏈配比電氣元件。
| 品牌 | 型號 | 描述 | 貨期 | 庫存 |
| ADI |
HMC797APM5E HMC797APM5ETR |
GaAs pHEMT MMIC 1 W功率放大器,DC - 22 GHz | 現貨 | 55 |
使用
HMC797APM5E優勢和特點
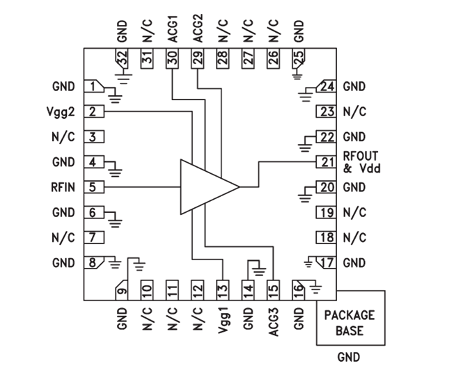
HMC797APM5E結構圖
